Ložisko L 44649/10 - FAG

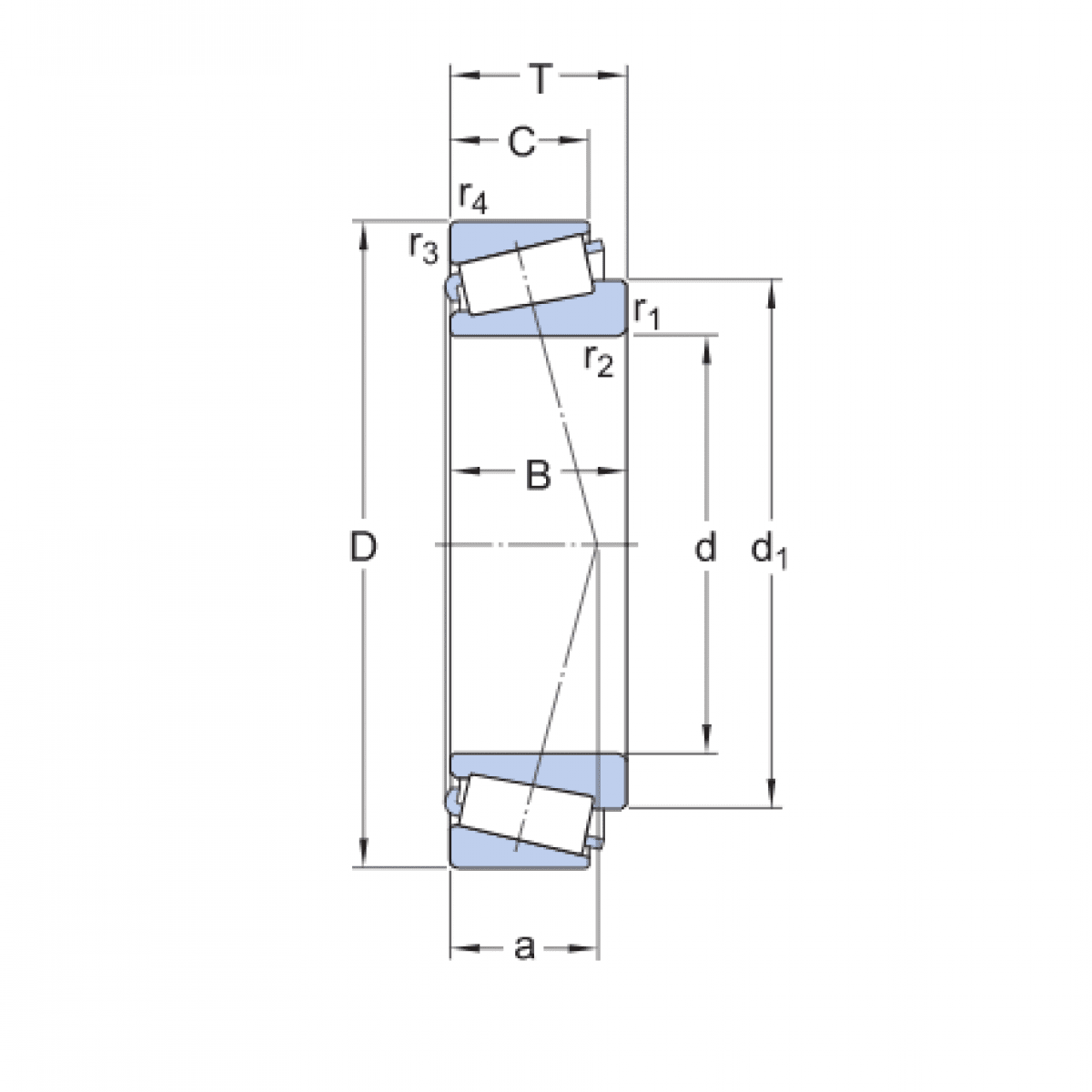
Rozmer: 26,988x50,292x14,224 Značka: FAG
Externý sklad na dopyt
+
-
ks