Ložisko L68149/110/Q - SKF

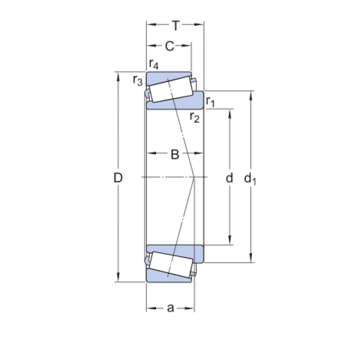
Rozmer: 34,98x59,131x16,764 Značka: SKF
Skladom 1 ks na dopyt
+
-
ks