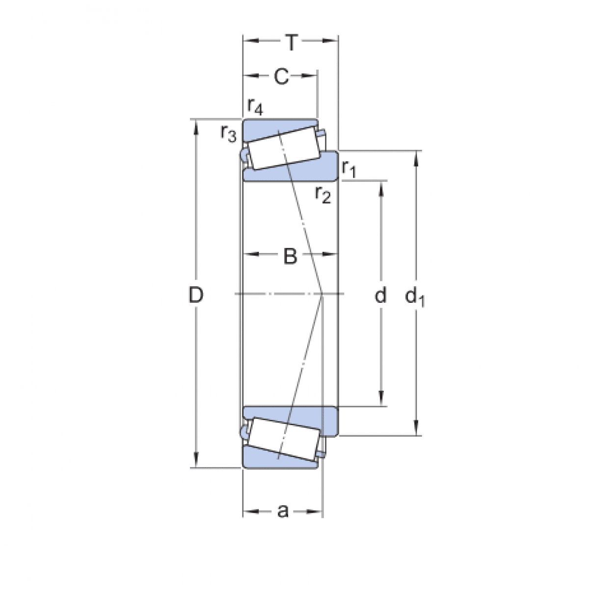
Ložisko LM 102949/10 - KOYO

Rozmer: 45,242x73,431x19,558 Značka: KOYO-TORRINGTON
Externý sklad na dopyt
+
-
ks