Ložisko LM 12748/10 - ZKL NEW

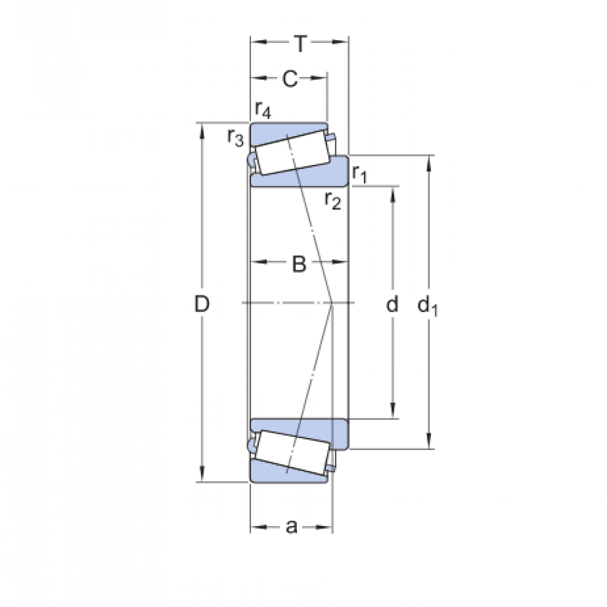
Rozmer: 21,43x45,237x15,494 Značka: ZKL
Skladom 4 ks na dopyt
+
-
ks