Ložisko LM 12749/11 - ZKL NEW

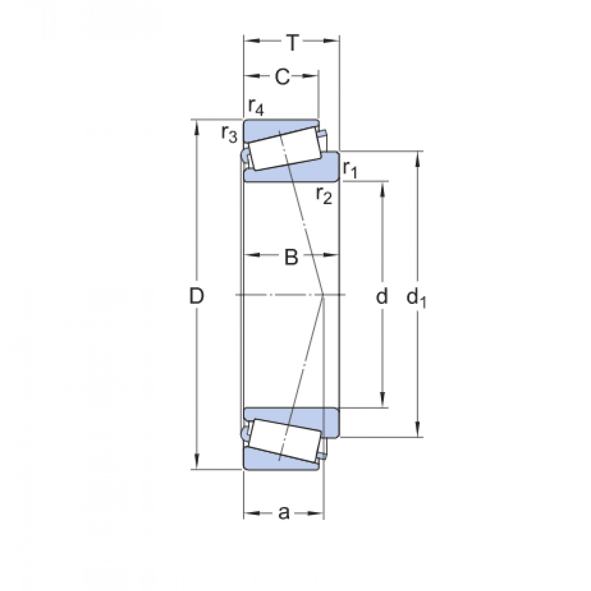
Rozmer: 21,986x45,974x16,630 Značka: ZKL
Skladom 1 ks na dopyt
+
-
ks