Ložisko LM 29748/10 - ZKL NEW

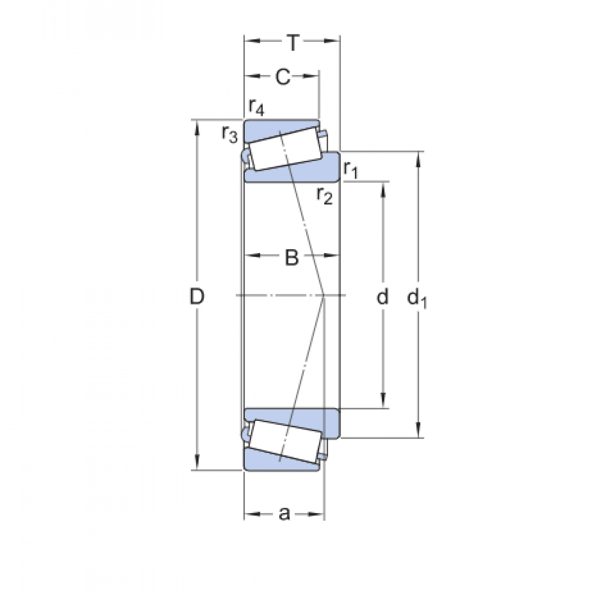
Rozmer: 38,1x65,088x18,034/7 Značka: ZKL
Externý sklad na dopyt
+
-
ks