Ložisko LM 29749/10 - CX

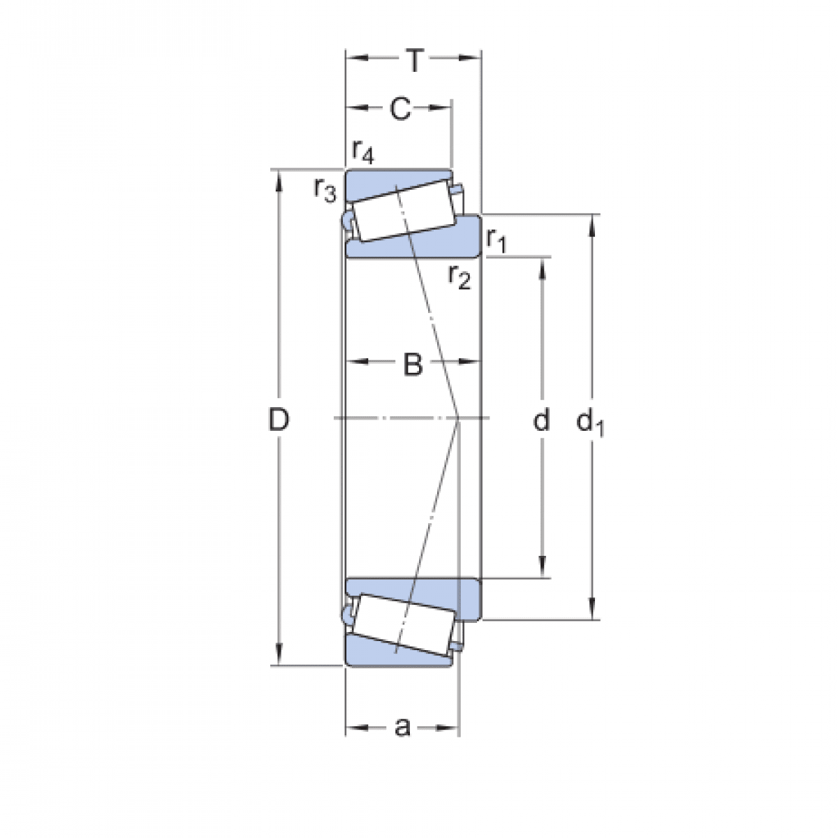
Rozmer: 38,1x65,088x18,034/7 Značka: CX
Externý sklad na dopyt
+
-
ks