Ložisko LM 29749/10 - KOYO

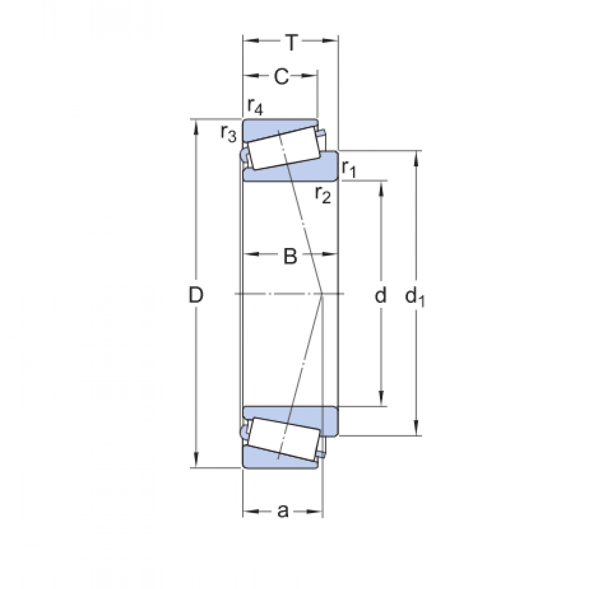
Rozmer: 38,1x65,088x18,034/13,97 Značka: KOYO-TORRINGTON
Skladom 1 ks na dopyt
+
-
ks