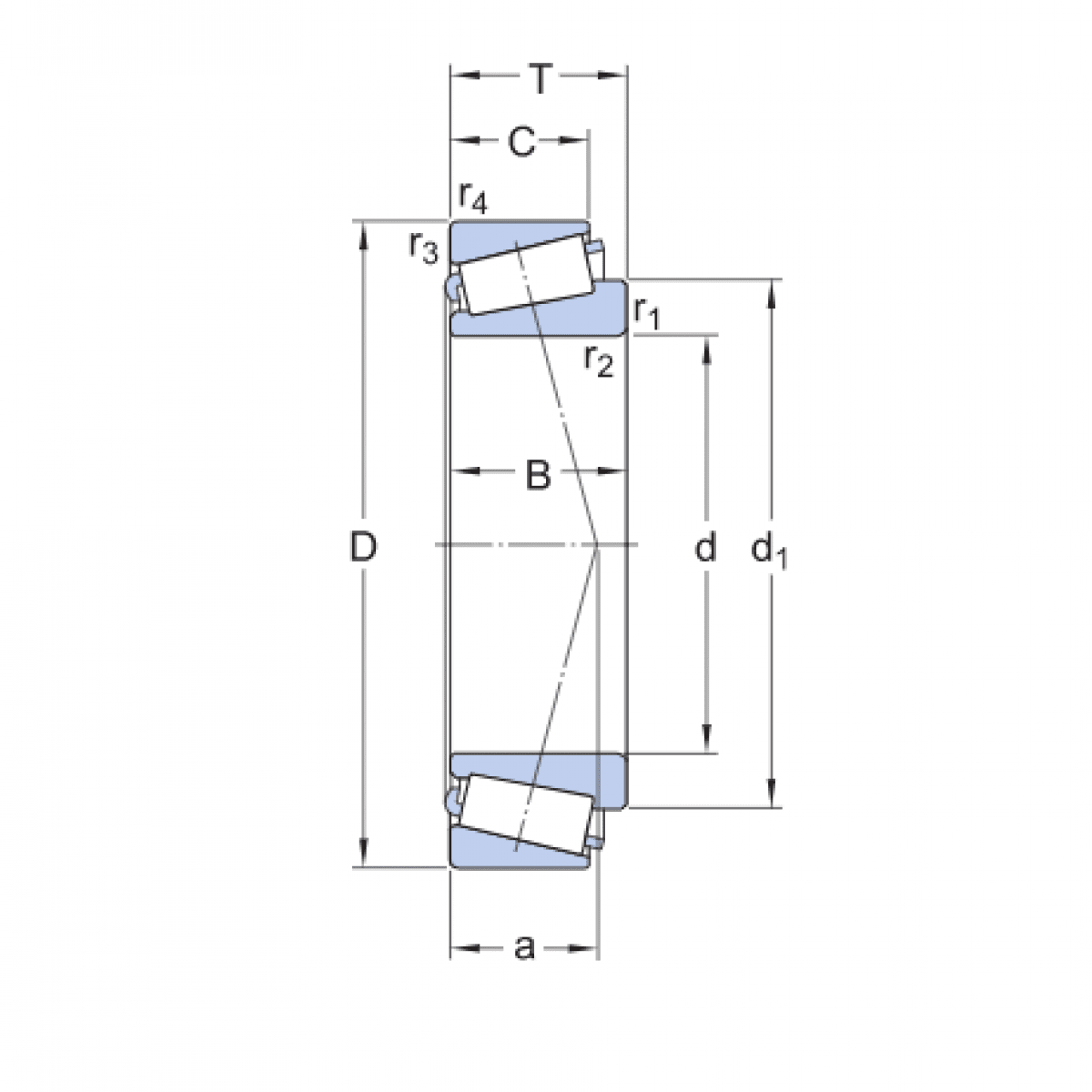
Ložisko LM 29749/11 - KOYO

Rozmer: 38,1x65,088x19,812 Značka: KOYO-TORRINGTON
Skladom 2 ks na dopyt
+
-
ks