Ložisko LM 29749/710 QCL7CVA607 - SKF

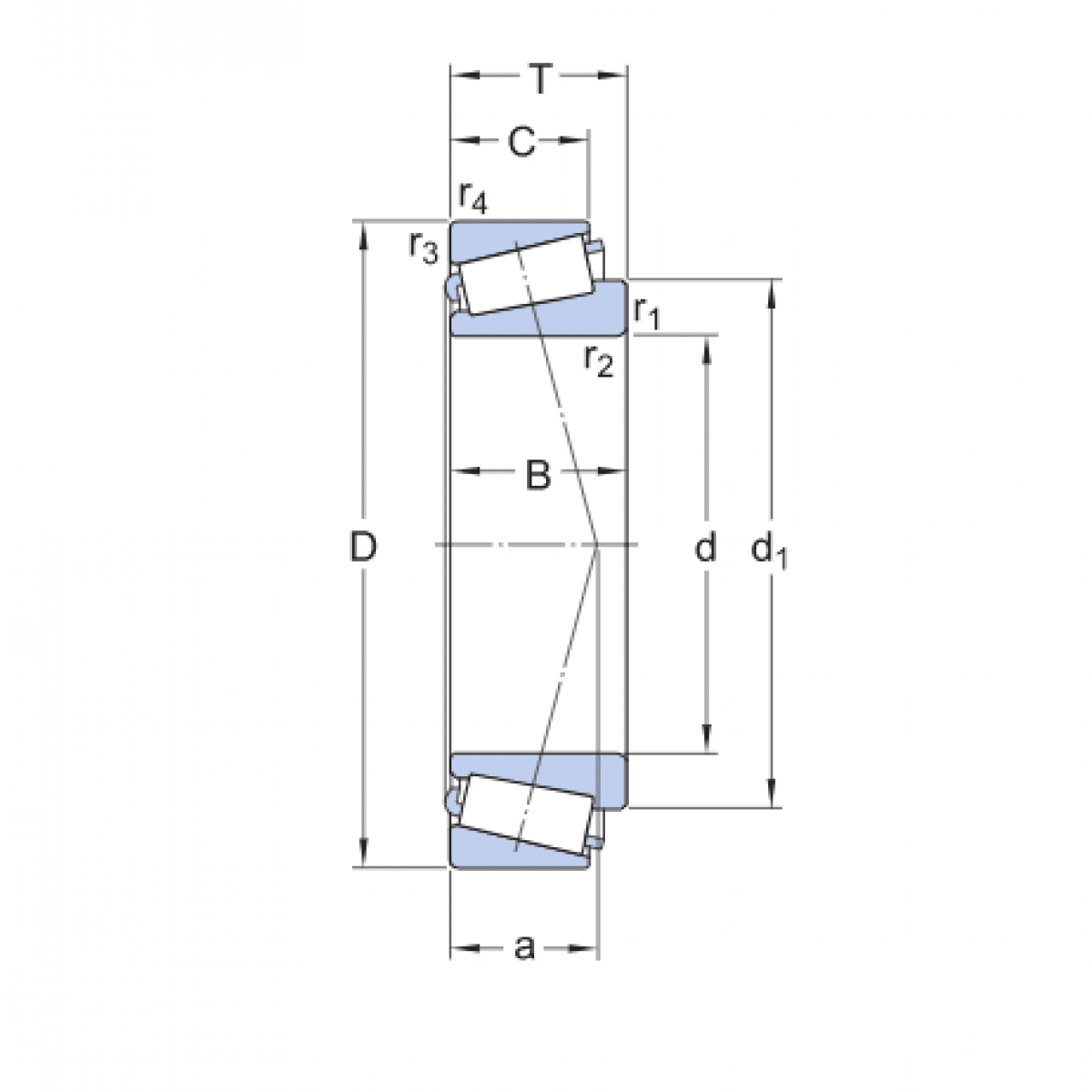
Rozmer: 38,1x65,088x18,034/13,97 Značka: SKF
Externý sklad na dopyt
+
-
ks