Ložisko LM 300849/11 - CX

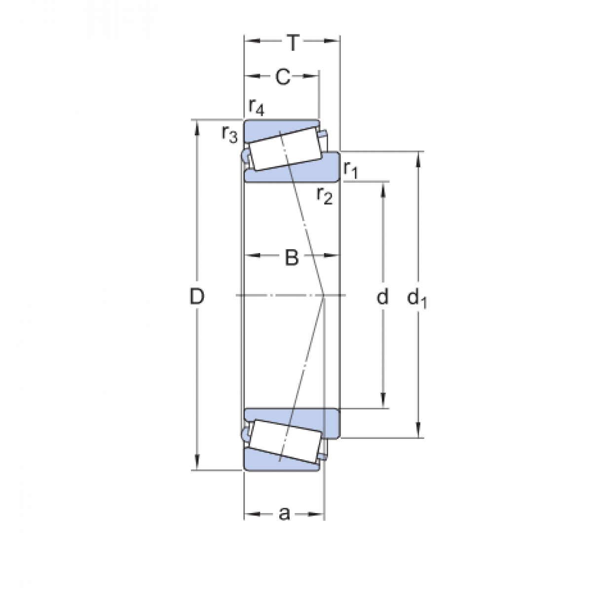
Rozmer: 40,988x67,975x17,5 Značka: CX
Externý sklad na dopyt
+
-
ks