Ložisko LM 45449/10 - BBC

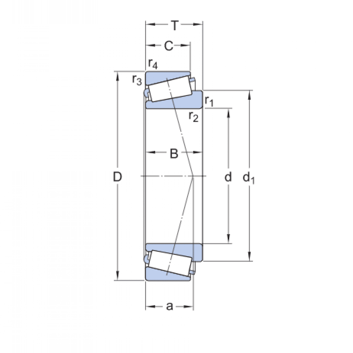
Rozmer: 29x50,292x14,732/10,66 Značka: BBC
Skladom 8 ks na dopyt
+
-
ks