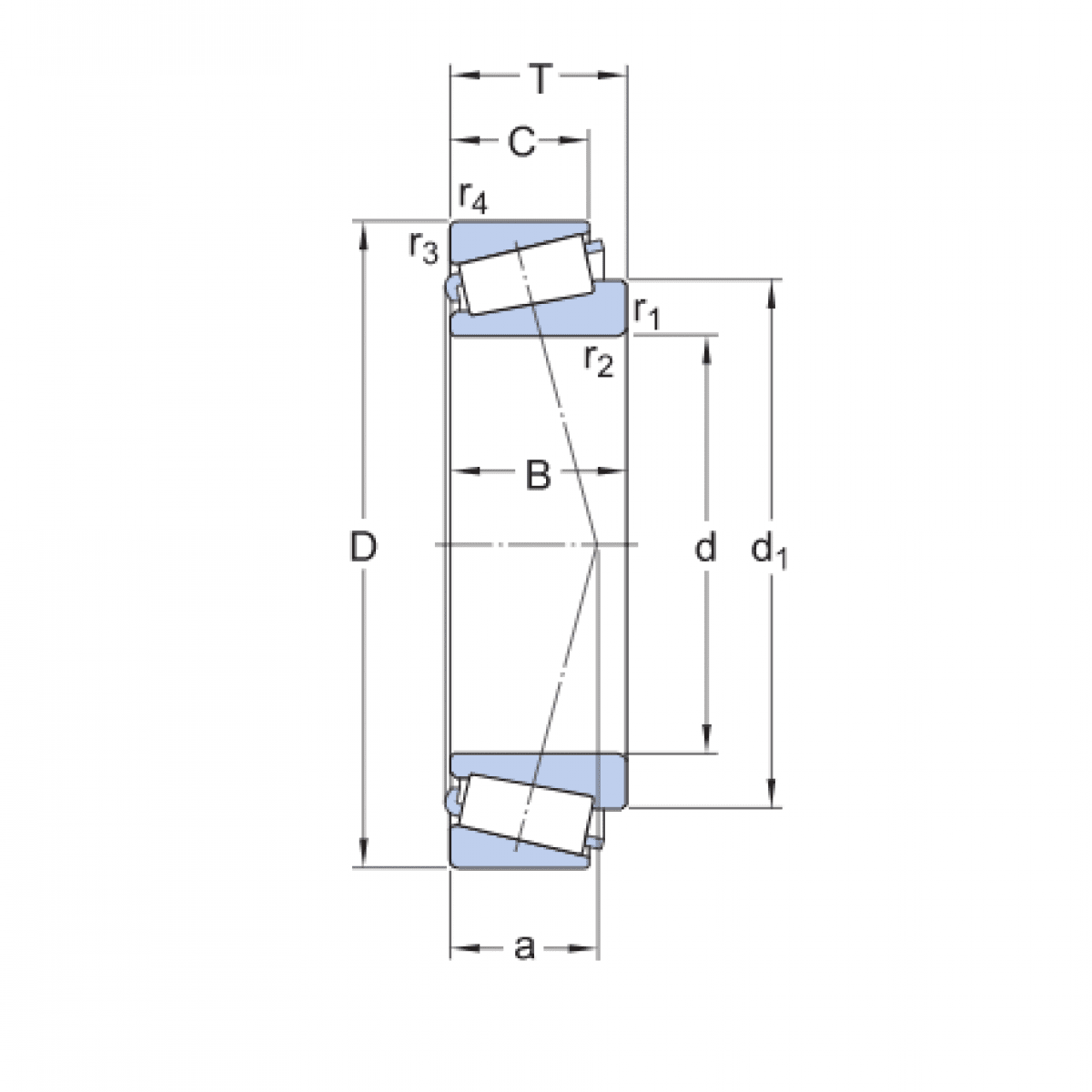
Ložisko LM 48548/48510 - SKF

Rozmer: 34,925x65,088x18,034 Značka: SKF
Externý sklad na dopyt
+
-
ks