Ložisko LM 501349/10 - CHI

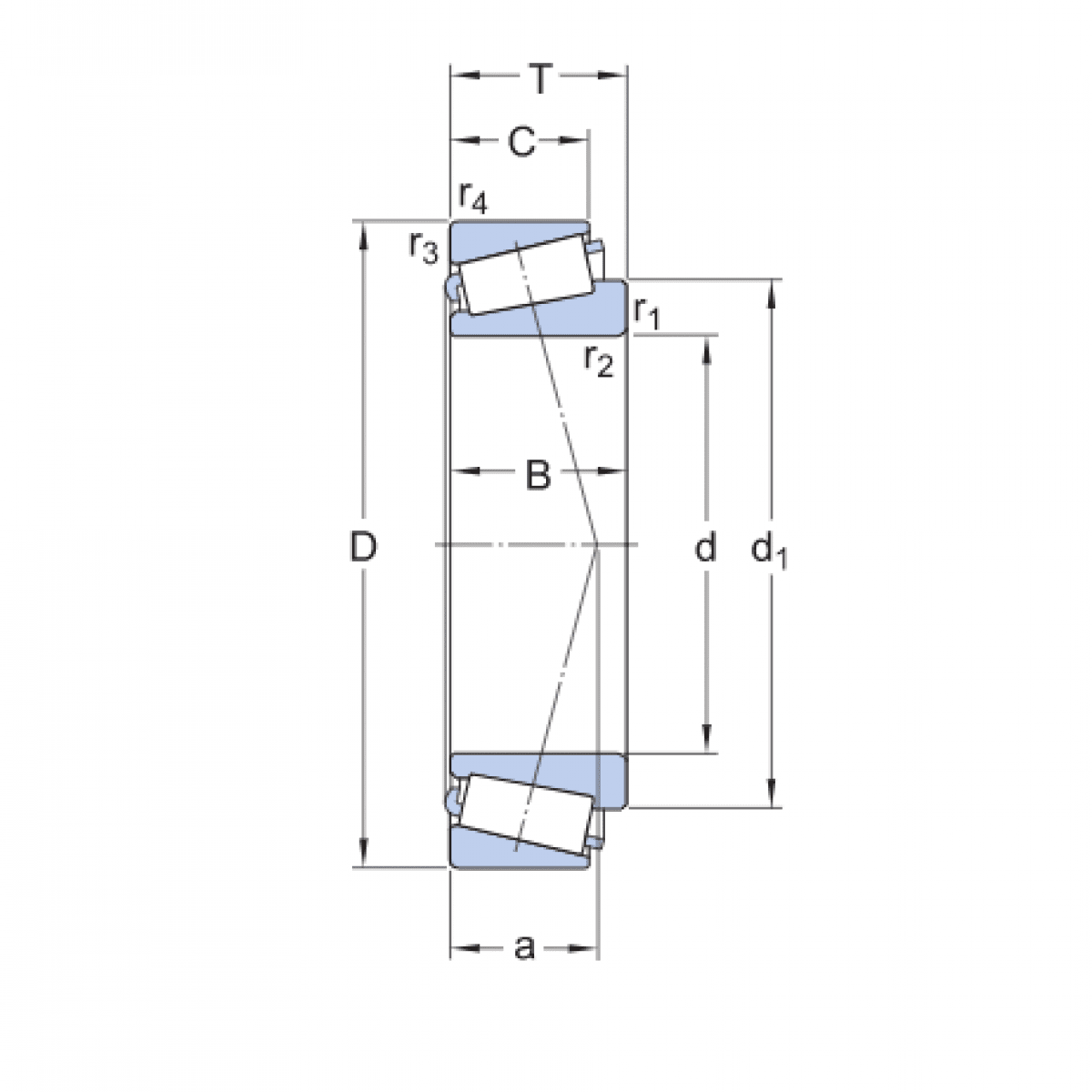
Rozmer: 41,275x73,431x19,558 Značka: CHINA+OSTATNÉ
Externý sklad na dopyt
+
-
ks