Ložisko LM 501349/14 - CX

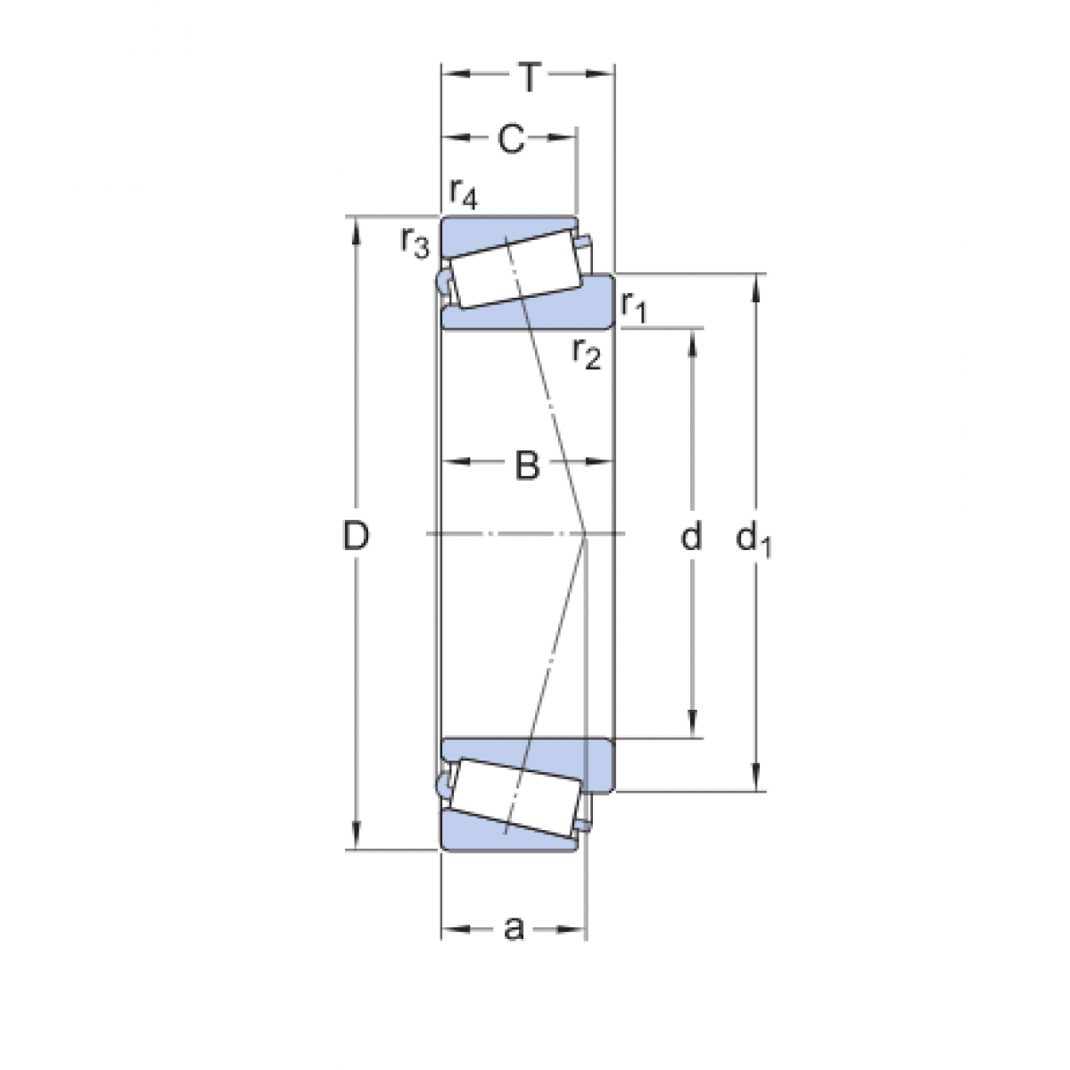
Rozmer: 41,275x73,431x19,558 Značka: CX
Externý sklad na dopyt
+
-
ks