Ložisko LM 603049/11 - CX

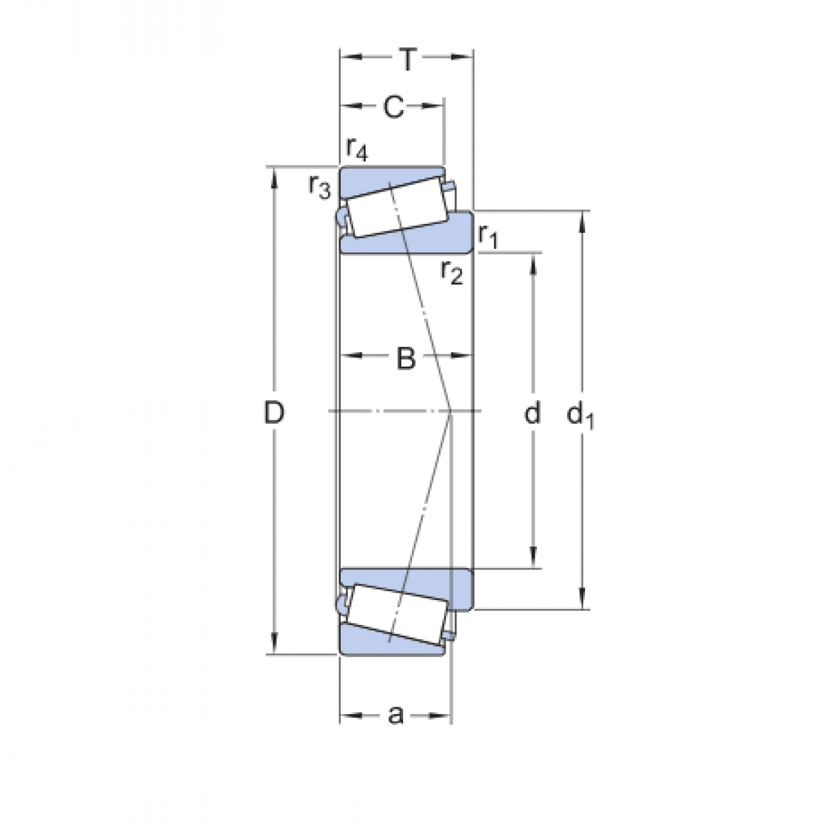
Rozmer: 45,242x77,788x19,840 Značka: CX
Skladom 2 ks na dopyt
+
-
ks