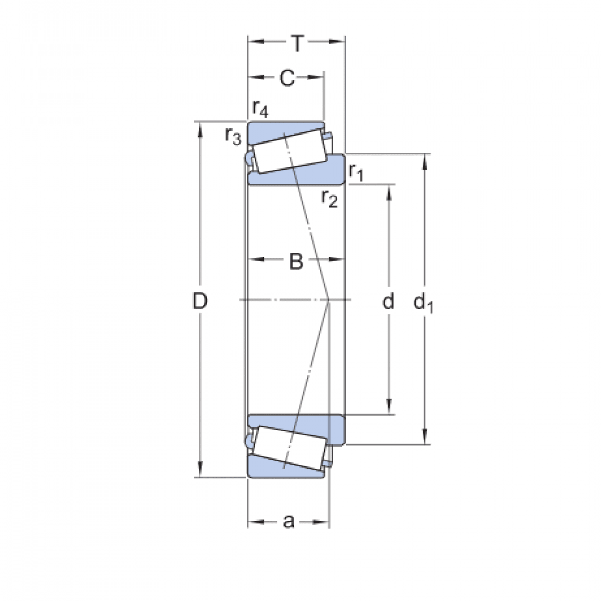
Ložisko LM 603049/12 - KOYO

Rozmer: 45,242x77,788x21,43 Značka: KOYO-TORRINGTON
Externý sklad na dopyt
+
-
ks