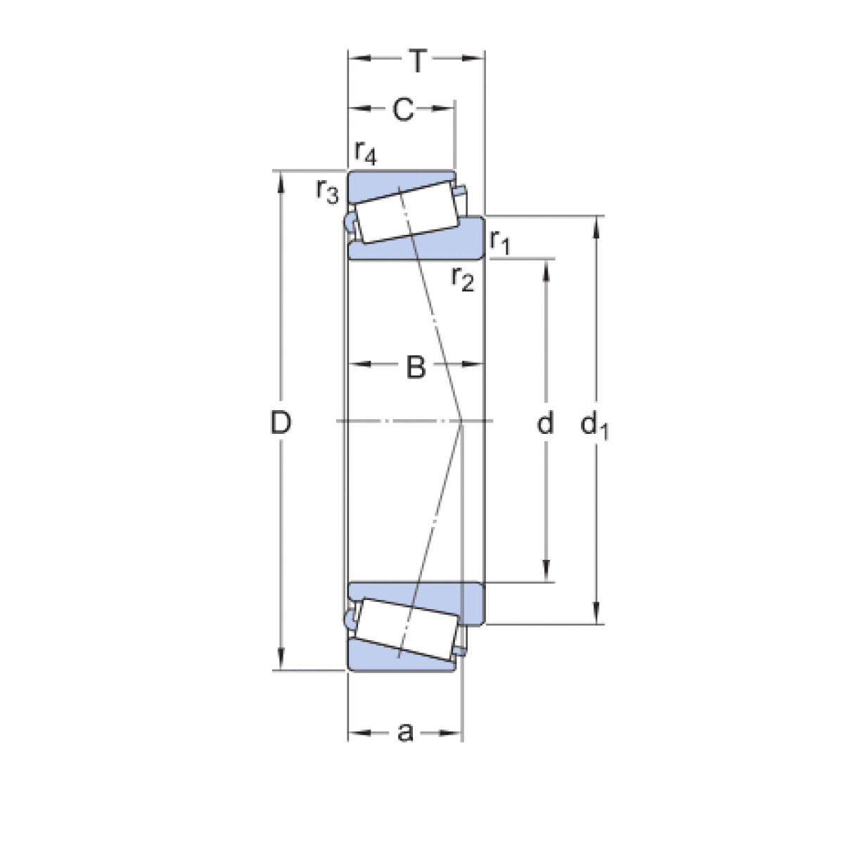
Ložisko LM 67000LA/100 - FBJ

Rozmer: 31,75x59,131x17 Značka: FBJ
Externý sklad na dopyt
+
-
ks