Ložisko M 88043/010 - KOYO

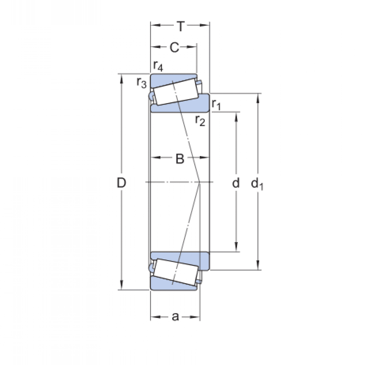
Rozmer: 30,162x68,262x22,22 Značka: KOYO-TORRINGTON
Skladom 2 ks na dopyt
+
-
ks