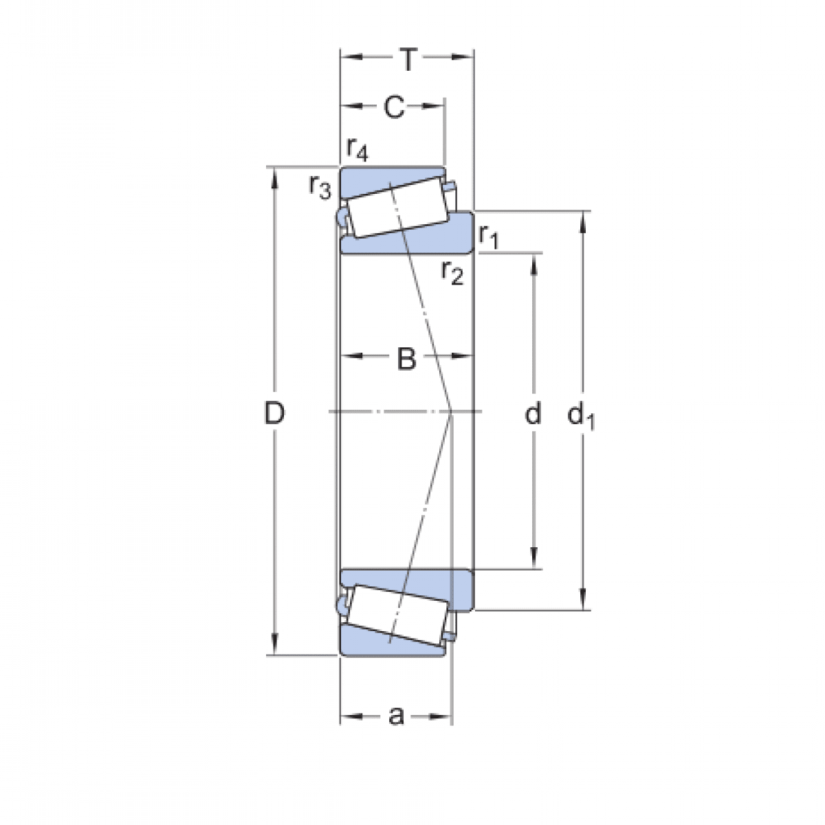
Ložisko M 88048/010 - KOYO

Rozmer: 33,338x68,262x22,225 Značka: KOYO-TORRINGTON
Externý sklad na dopyt
+
-
ks