Ložisko M 88048/010 - TIMKEN

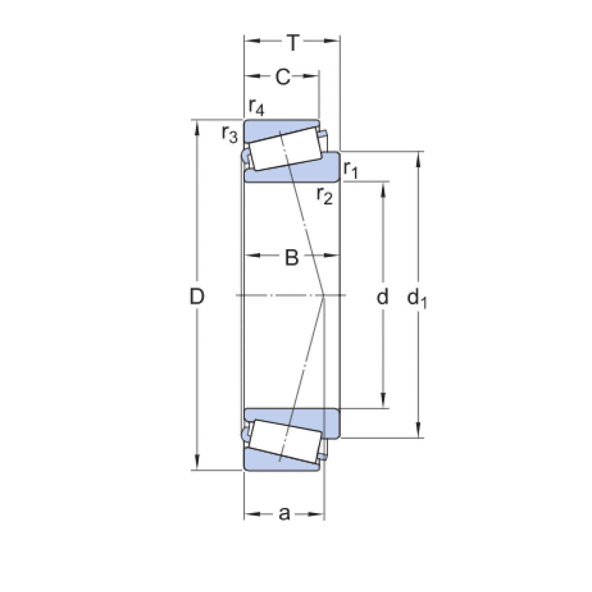
Rozmer: 33,338x68,262x22,225 Značka: TIMKEN
Externý sklad na dopyt
+
-
ks