Ložisko M84249/M84210 - FBJ

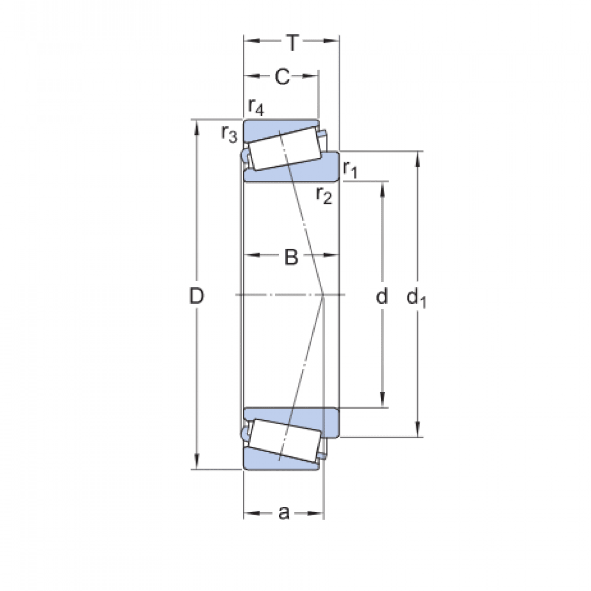
Rozmer: 25.4x59.53x23.36 Značka: FBJ
Externý sklad na dopyt
+
-
ks