Ložisko M84249/M84210 - NTN

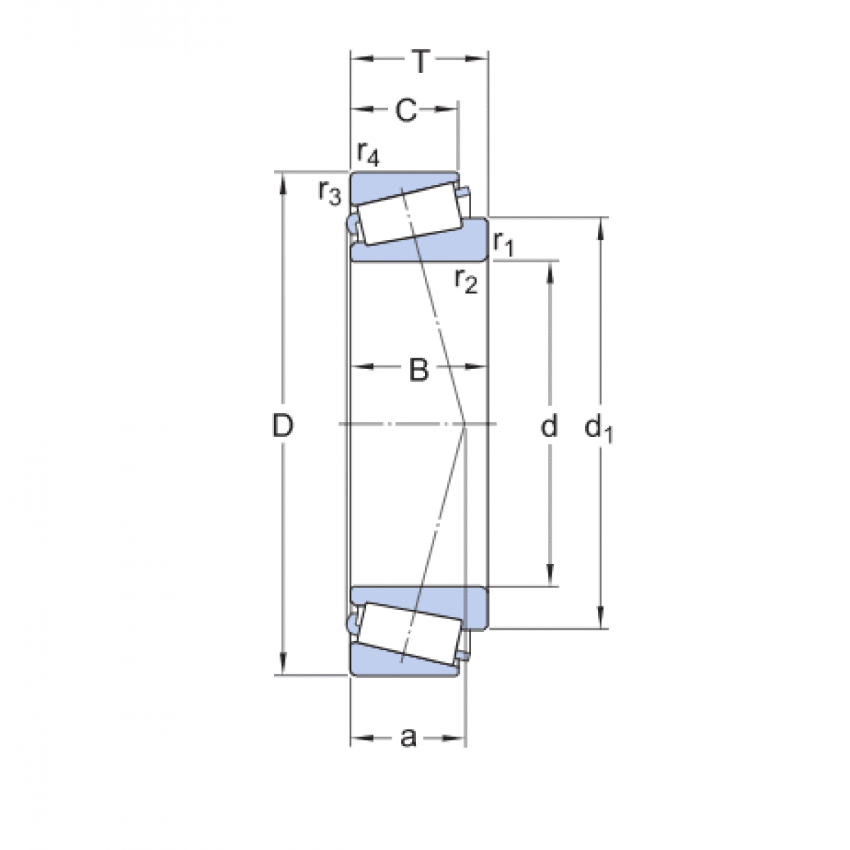
Rozmer: 25,4x59,53x23,36 Značka: NTN
Externý sklad na dopyt
+
-
ks