Ložisko NAXK 25 - FAG

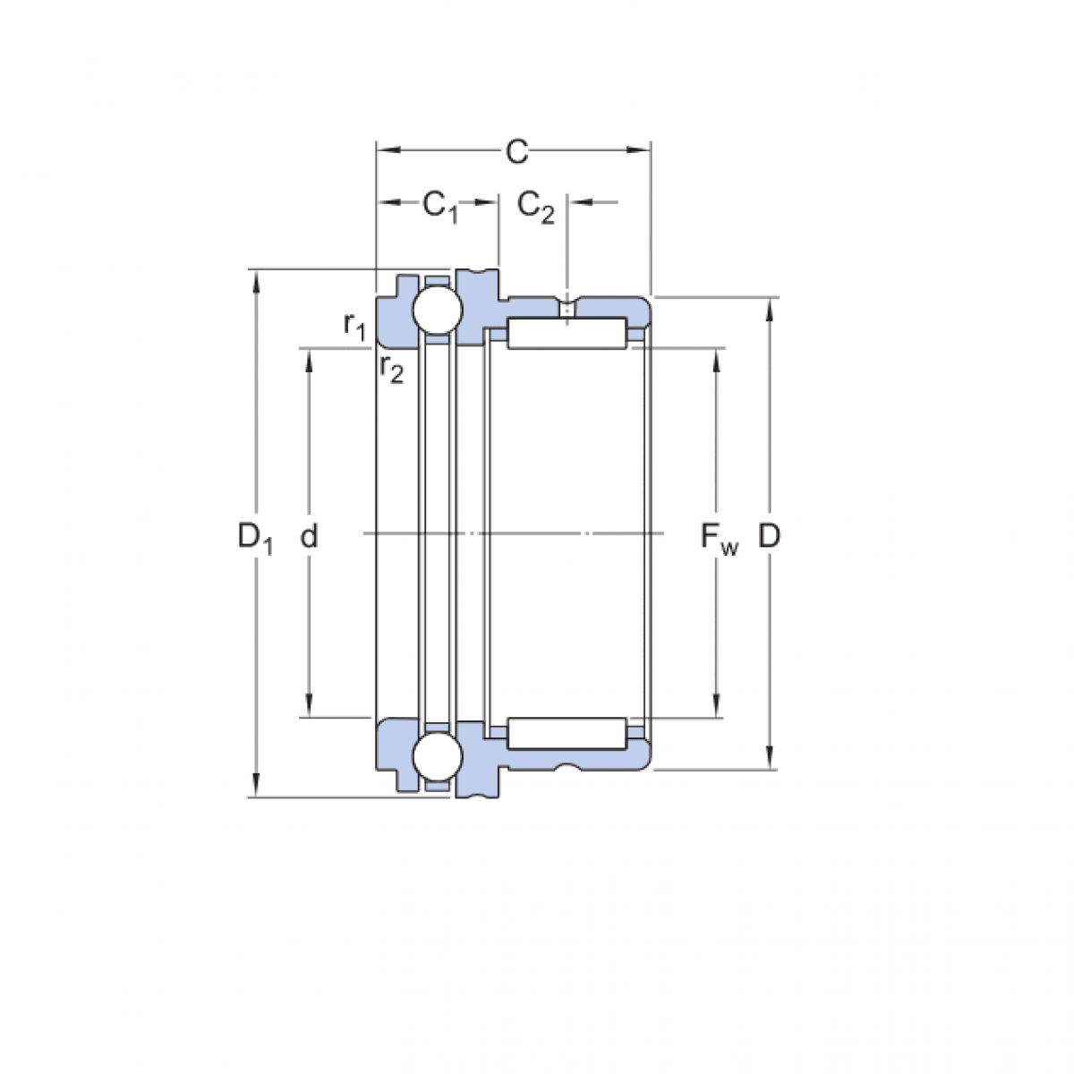
Rozmer: 25x37x30 Značka: FAG
Skladom 9 ks na dopyt
+
-
ks