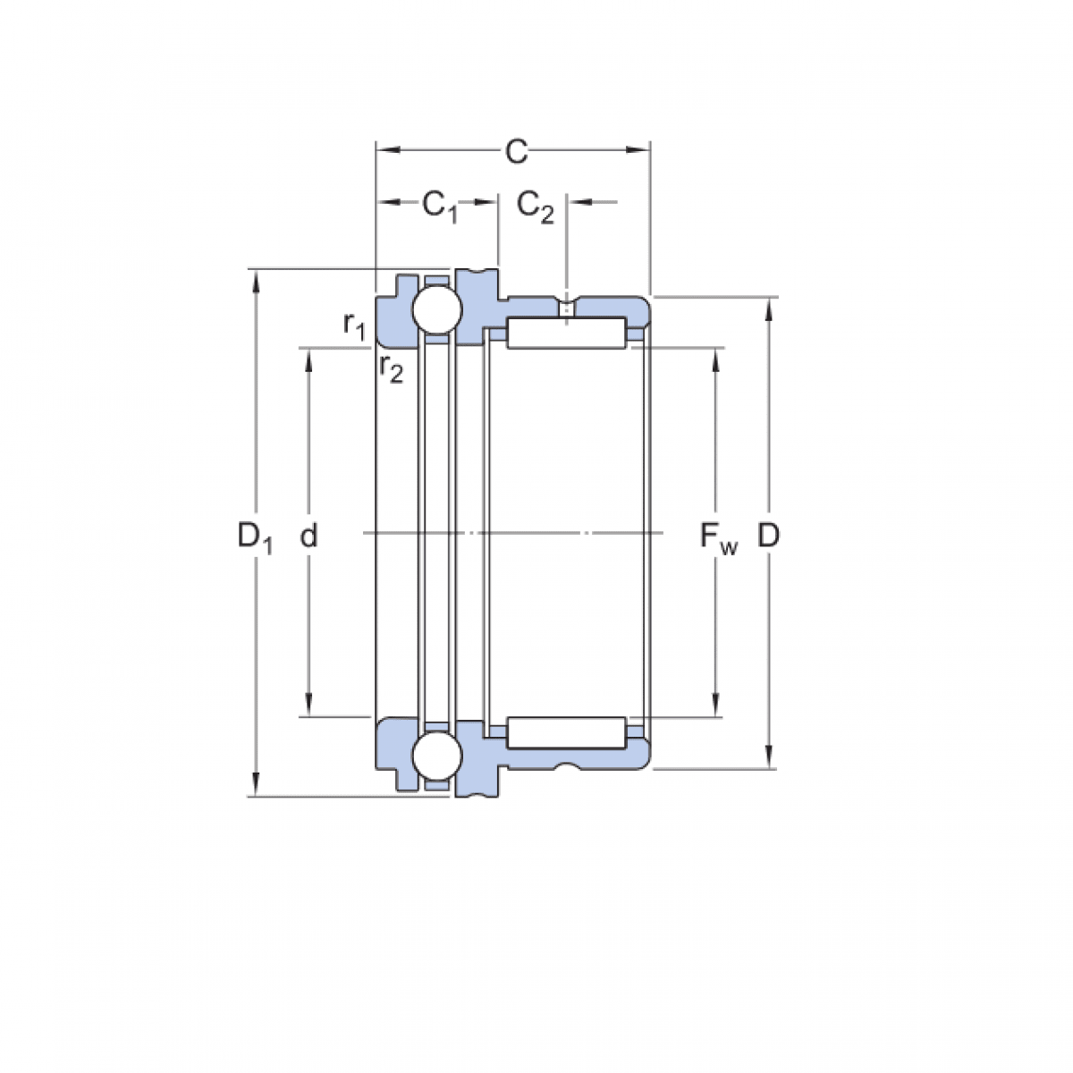
Ložisko NAXK 70 - KOYO

Rozmer: 70x85x40 Značka: KOYO-TORRINGTON
Externý sklad na dopyt
+
-
ks