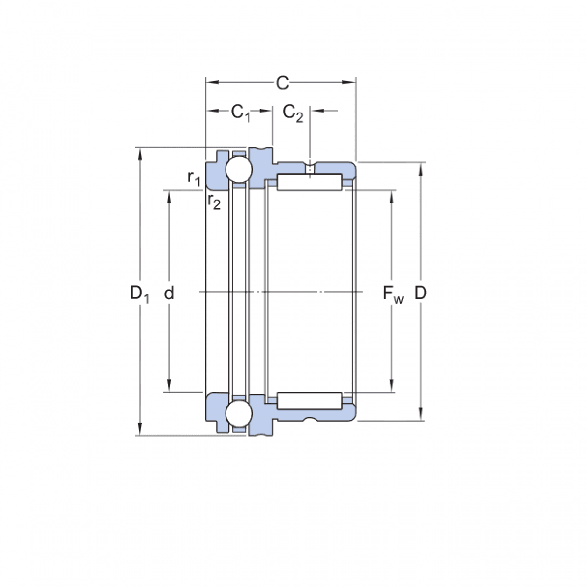
Ložisko NKX 12 - INA

Rozmer: 12x21x23
Externý sklad na dopyt
+
-
ks