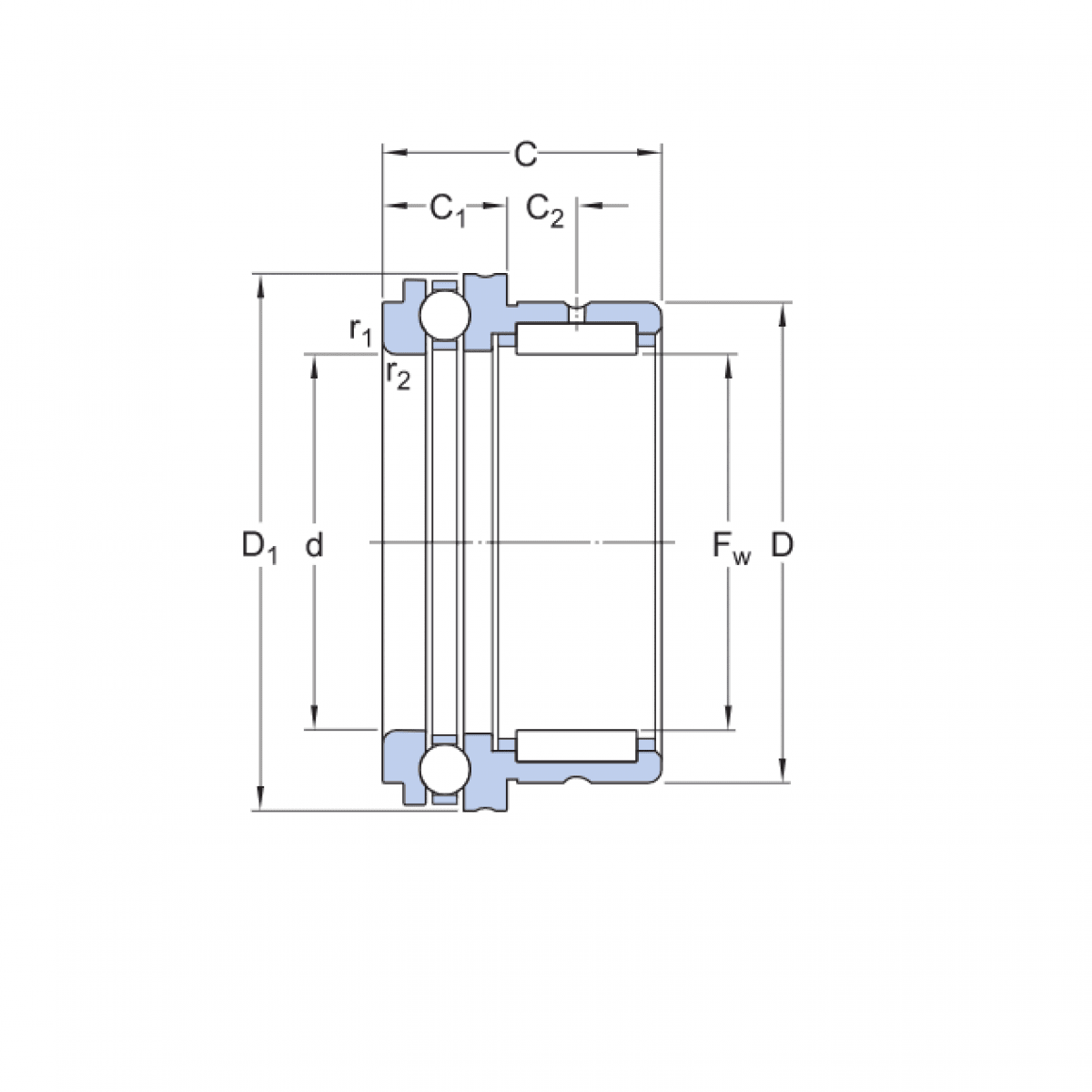
Ložisko NKX 25 - SKF

Rozmer: 25x37x30 Značka: SKF
Externý sklad na dopyt
+
-
ks