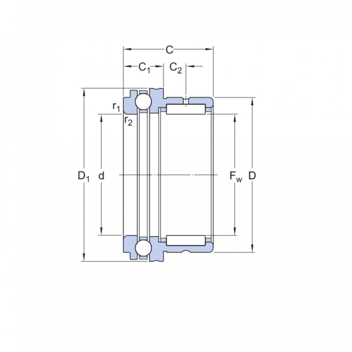
Ložisko NKX 35 XL - INA

Rozmer: 35x47x30 Značka: INA
Externý sklad na dopyt
+
-
ks