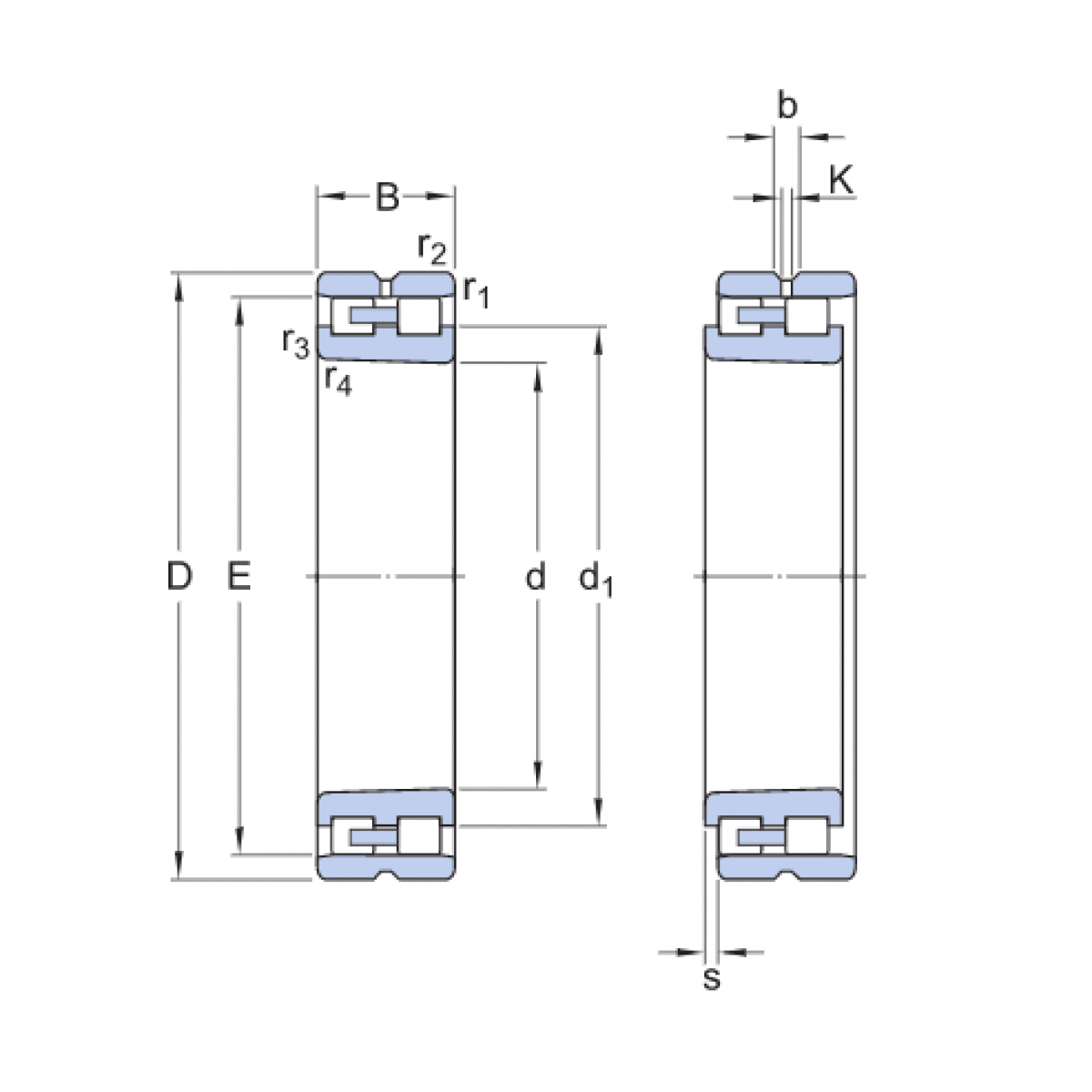
Ložisko NN 3007 KP41 - ZKL

Rozmer: 35x62x20 Značka: ZKL
Externý sklad na dopyt
+
-
ks