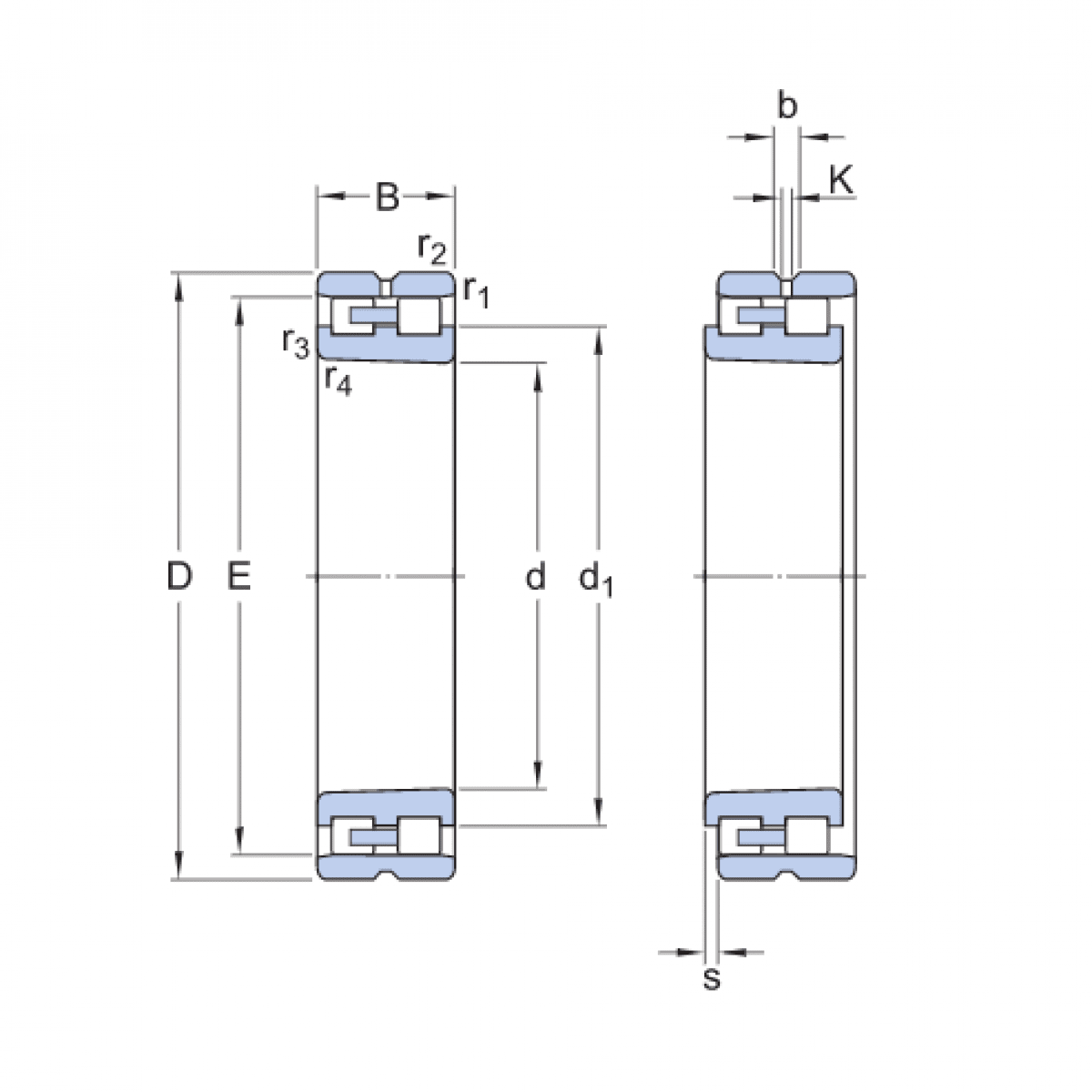
Ložisko NN 3011KP51 - ZKL

Rozmer: 55x90x26 Značka: ZKL
Externý sklad na dopyt
+
-
ks