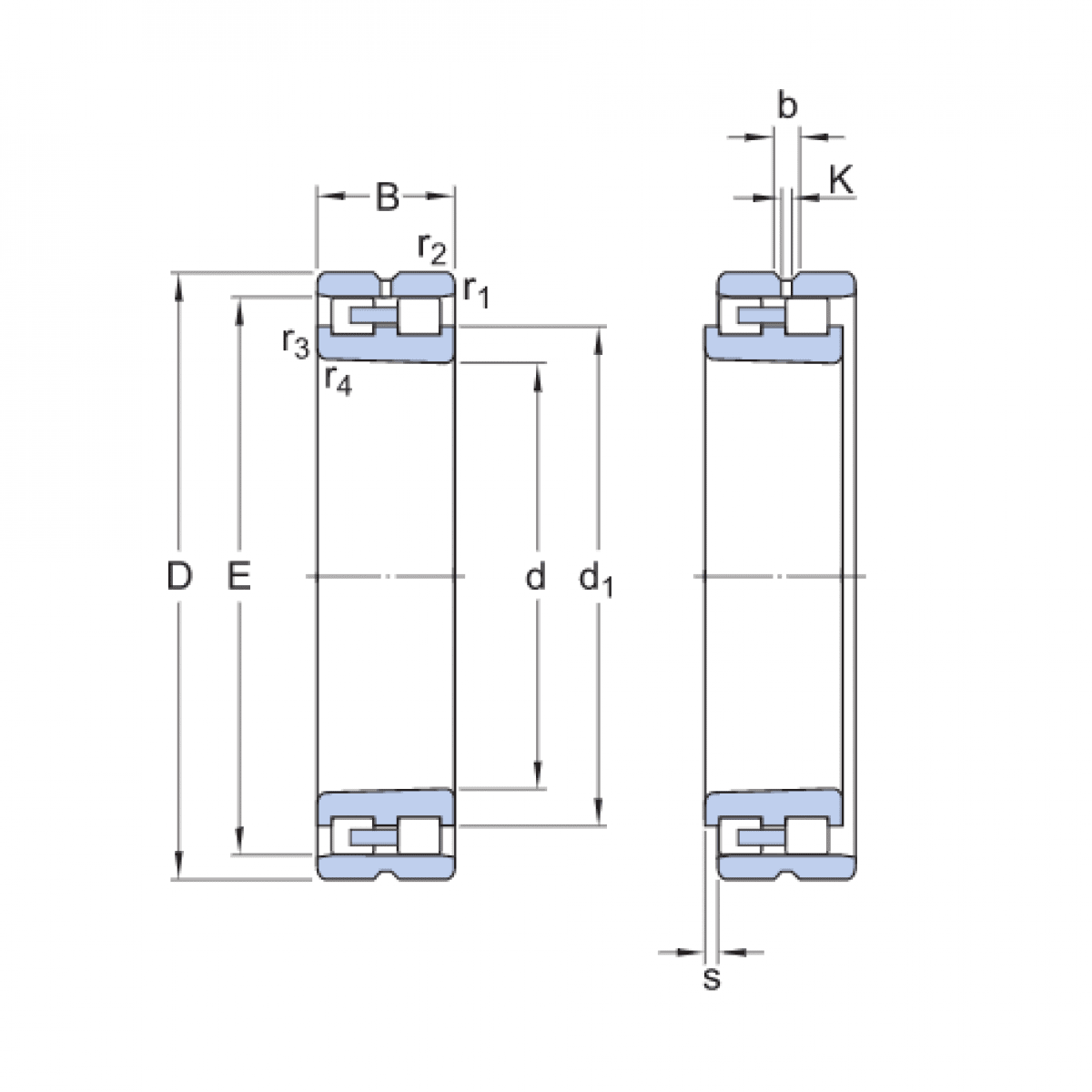
Ložisko NN 3012 KP41 - ZKL

Rozmer: 60x95x26 Značka: ZKL
Externý sklad na dopyt
+
-
ks