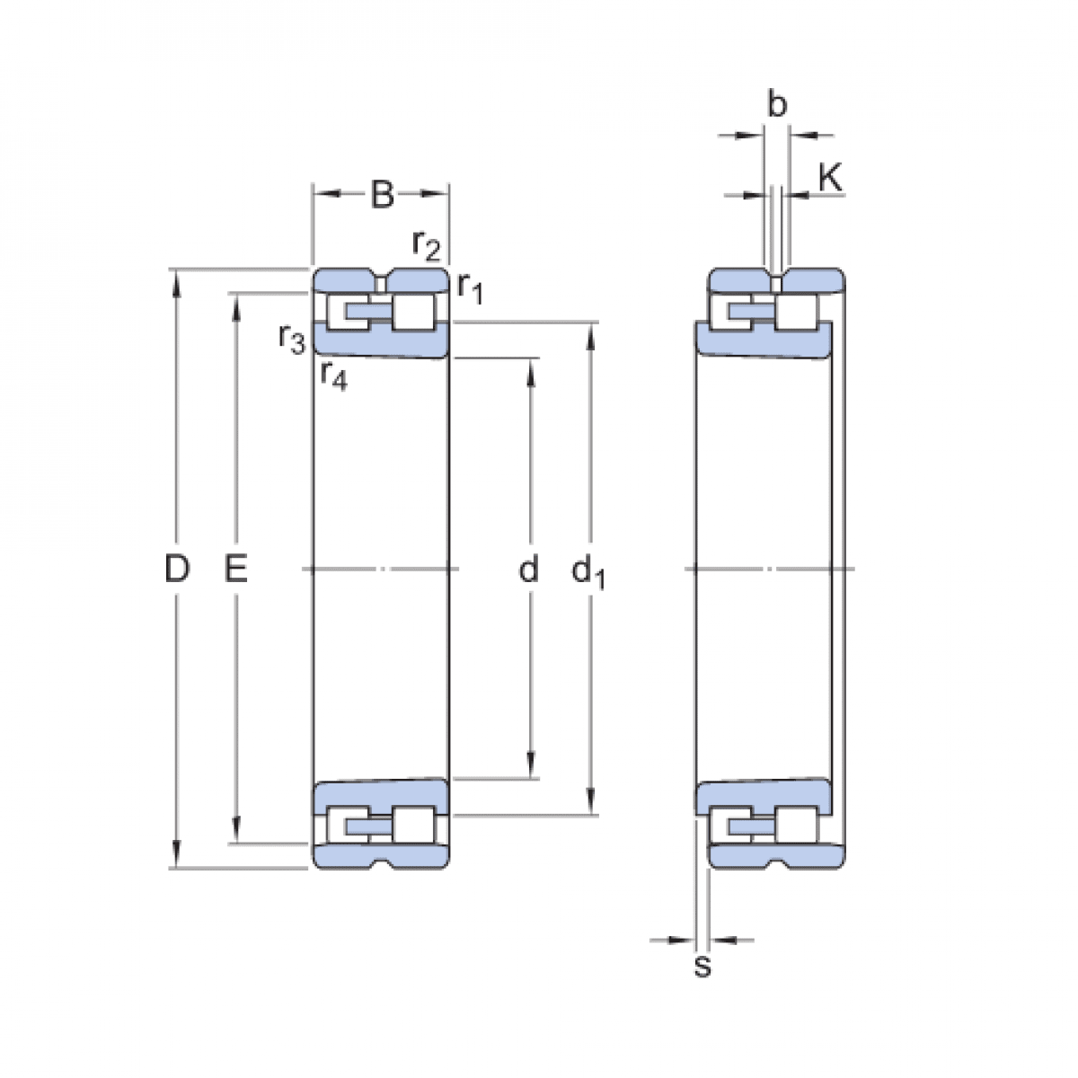
Ložisko NN 3012 KP51 - ZKL

Rozmer: 60x95x26 Značka: ZKL
Skladom 2 ks na dopyt
+
-
ks