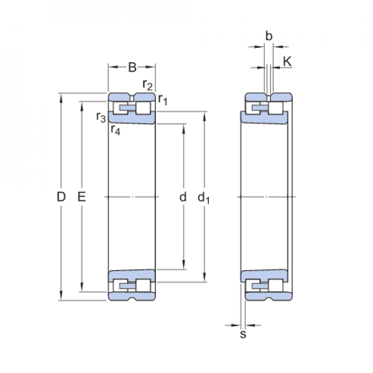
Ložisko NN 3013 KP51 - ZKL

Rozmer: 65x100x26 Značka: ZKL
Externý sklad na dopyt
+
-
ks