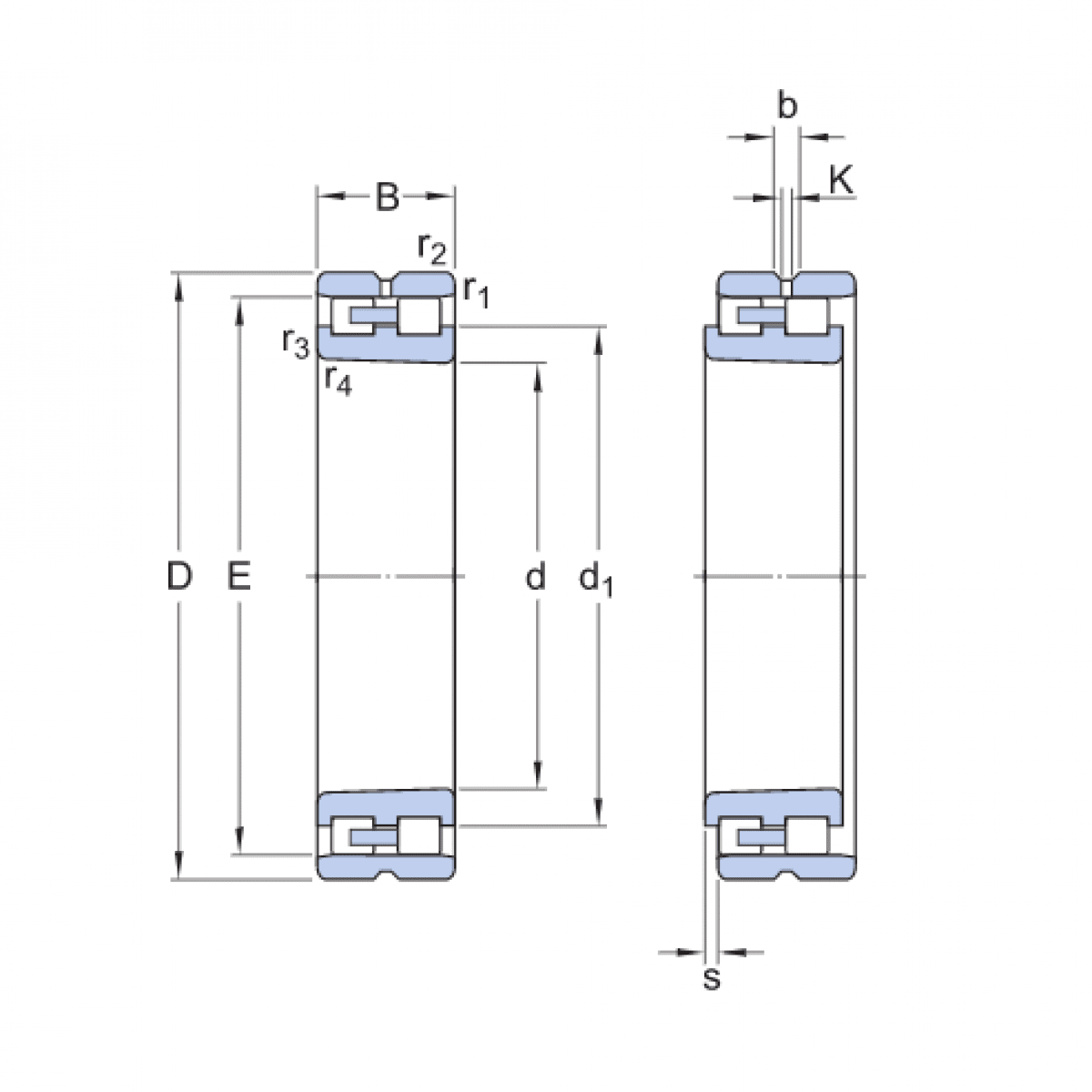
Ložisko NN 3014 D-K-TVP-SP-XL - FAG

Rozmer: 70x110x30 Značka: FAG
Externý sklad na dopyt
+
-
ks