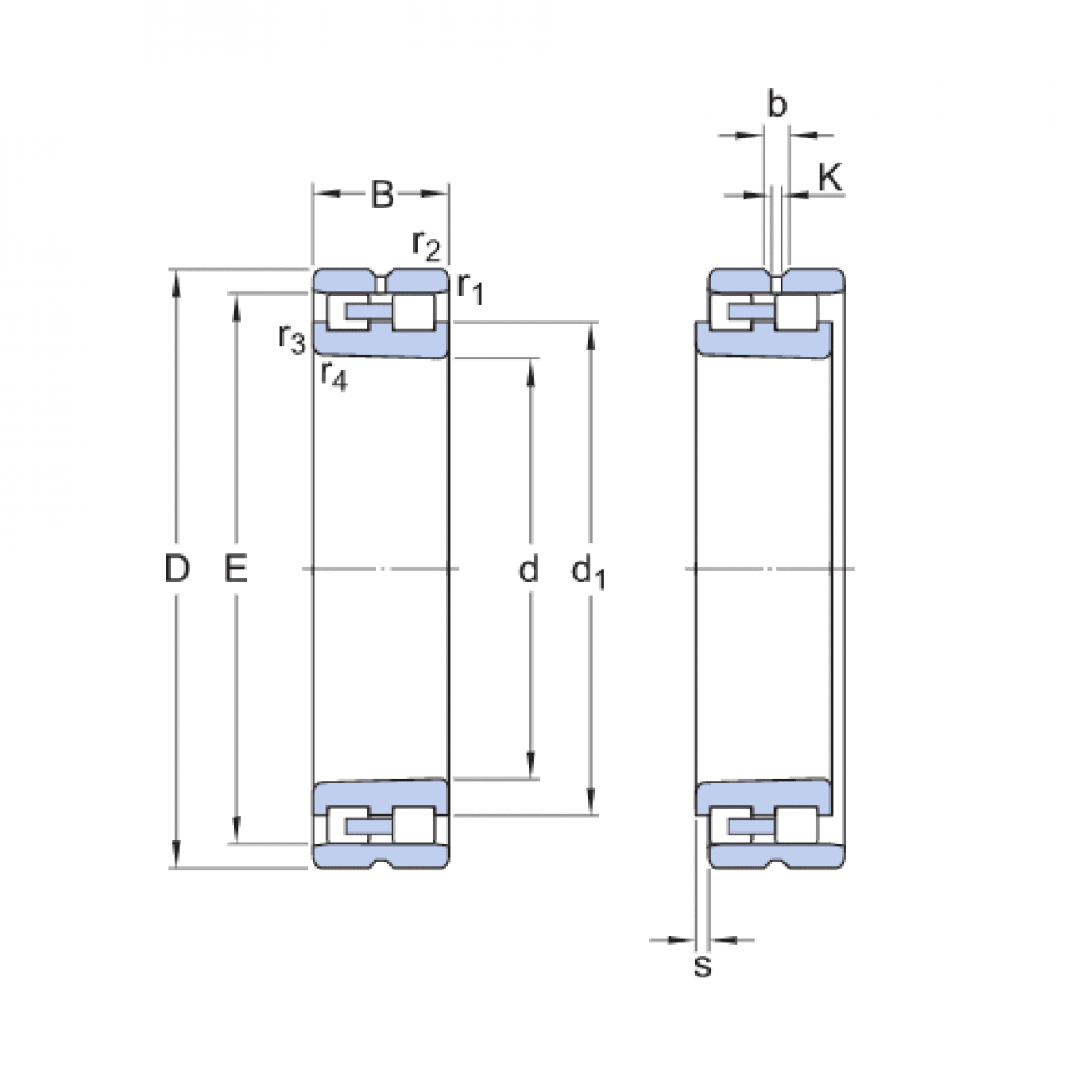
Ložisko NN 3015 KP51 - FLT

Rozmer: 75x115x30 Značka: FLT
Externý sklad na dopyt
+
-
ks