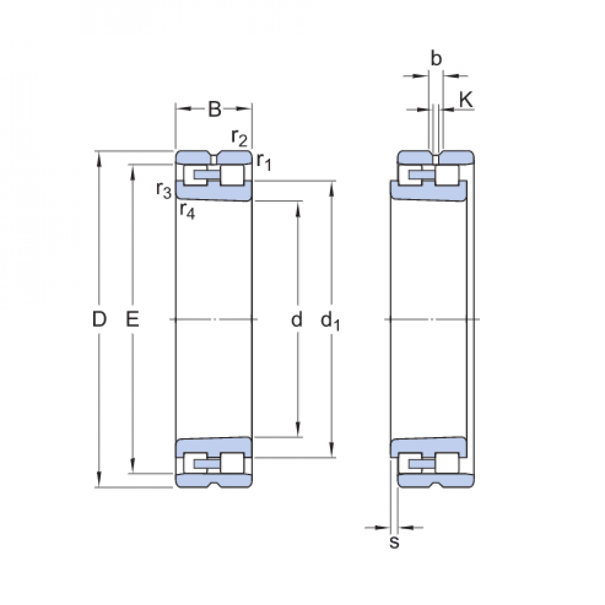
Ložisko NN 3016KP41 - ZKL, FLT

Rozmer: 80x125x34 Značka: ZKL
Externý sklad na dopyt
+
-
ks