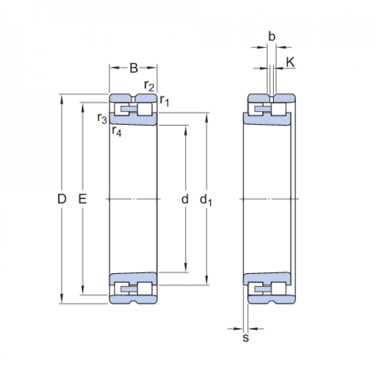
Ložisko NN 3016KP51 - ZKL

Rozmer: 80x125x34 Značka: ZKL
Externý sklad na dopyt
+
-
ks