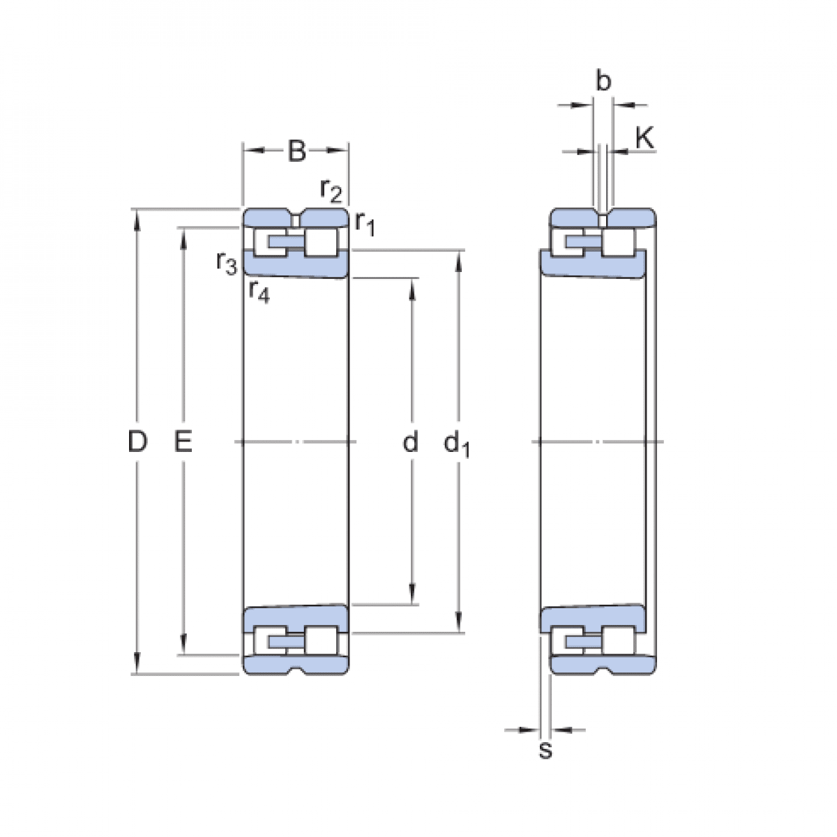
Ložisko NN 3017 KP51 - ZKL

Rozmer: 85x130x34 Značka: ZKL
Externý sklad na dopyt
+
-
ks