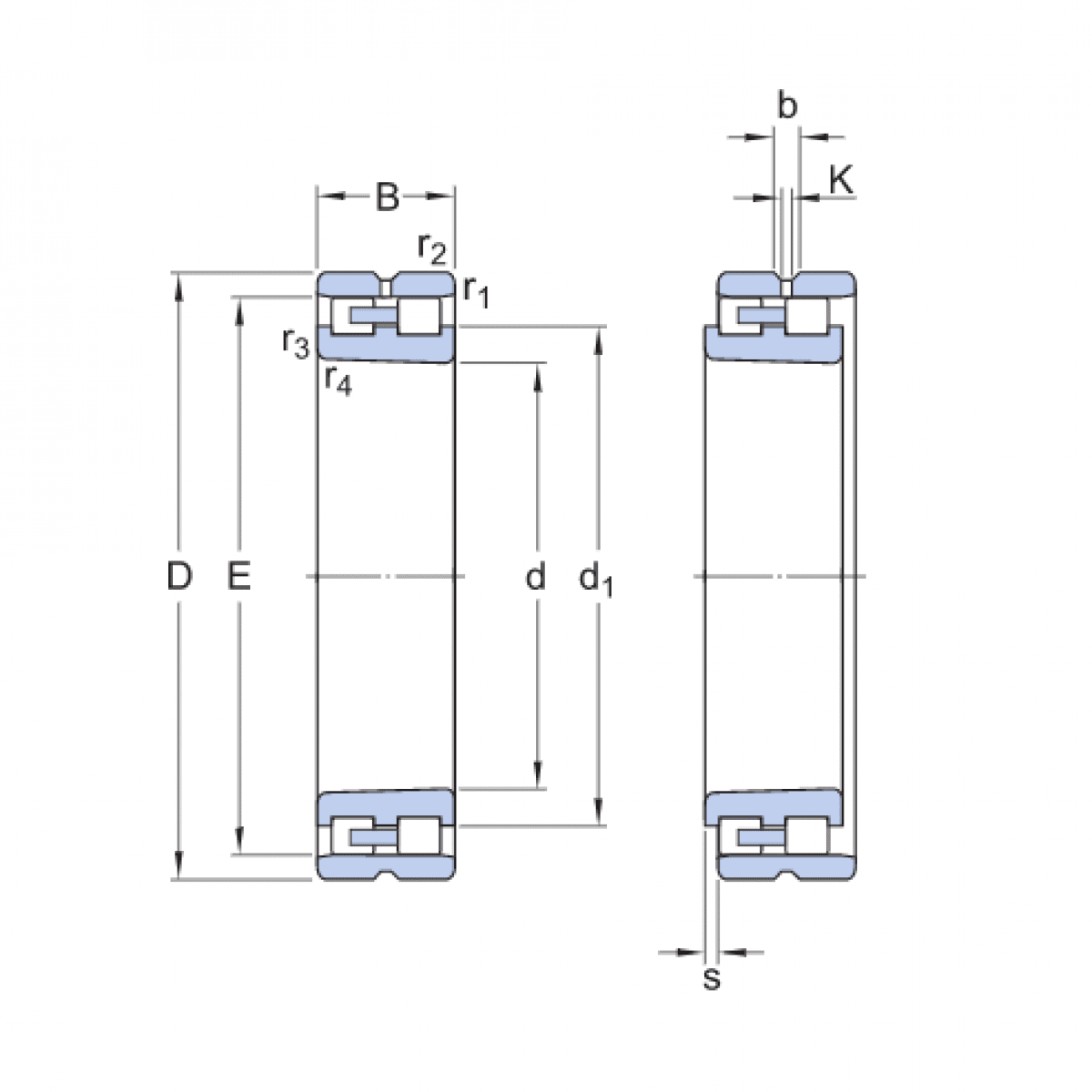
Ložisko NN 3018 KP51 - ZKL

Rozmer: 90x140x37 Značka: ZKL
Externý sklad na dopyt
+
-
ks