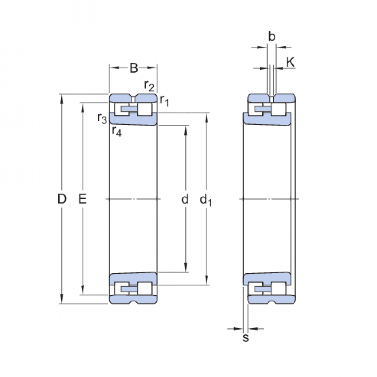
Ložisko NN 3019 KP51 - ZKL

Rozmer: 95x145x37 Značka: ZKL
Externý sklad na dopyt
+
-
ks