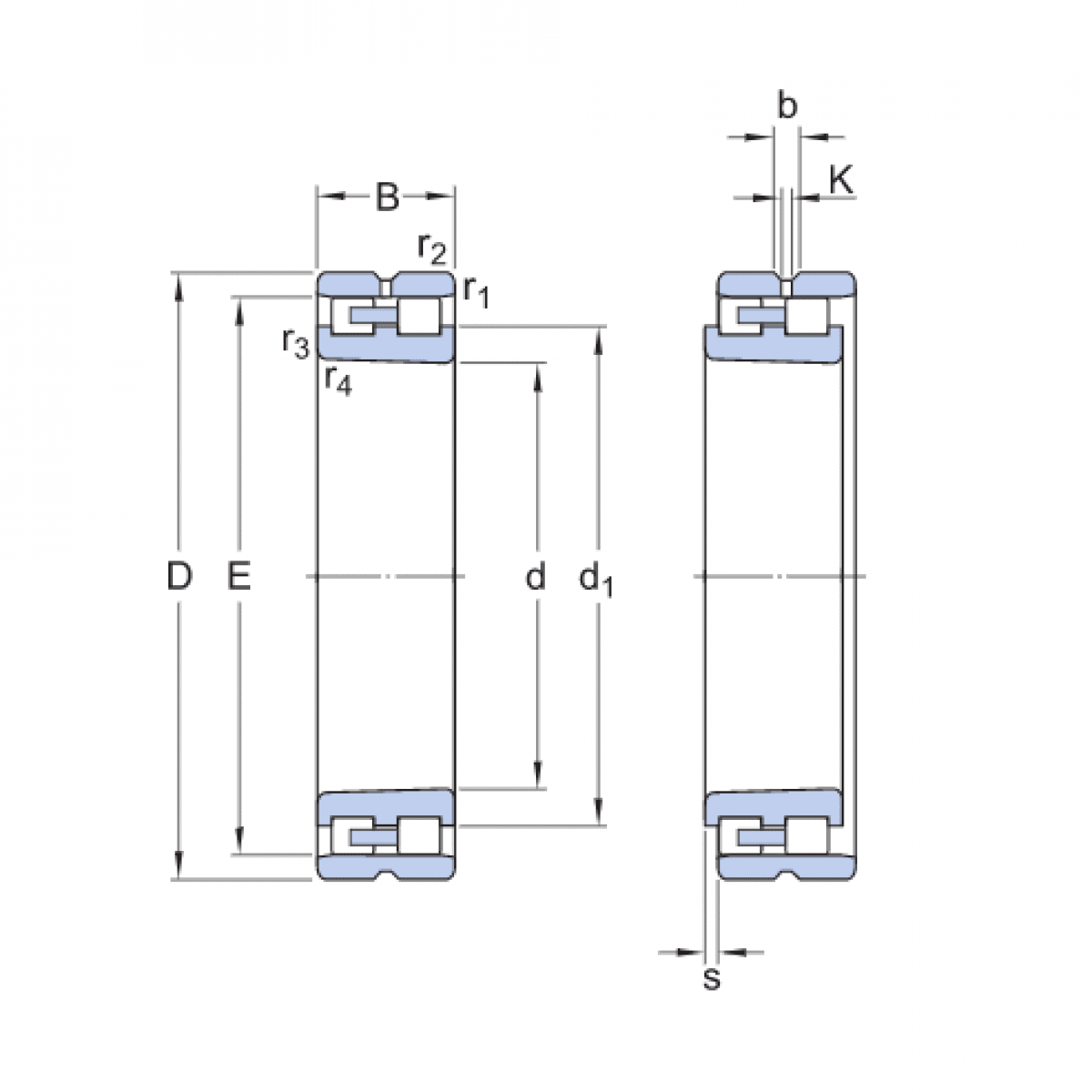
Ložisko NN 3020 D.KTVP.SP XL - FAG

Rozmer: 95x150x37 Značka: FAG
Externý sklad na dopyt
+
-
ks