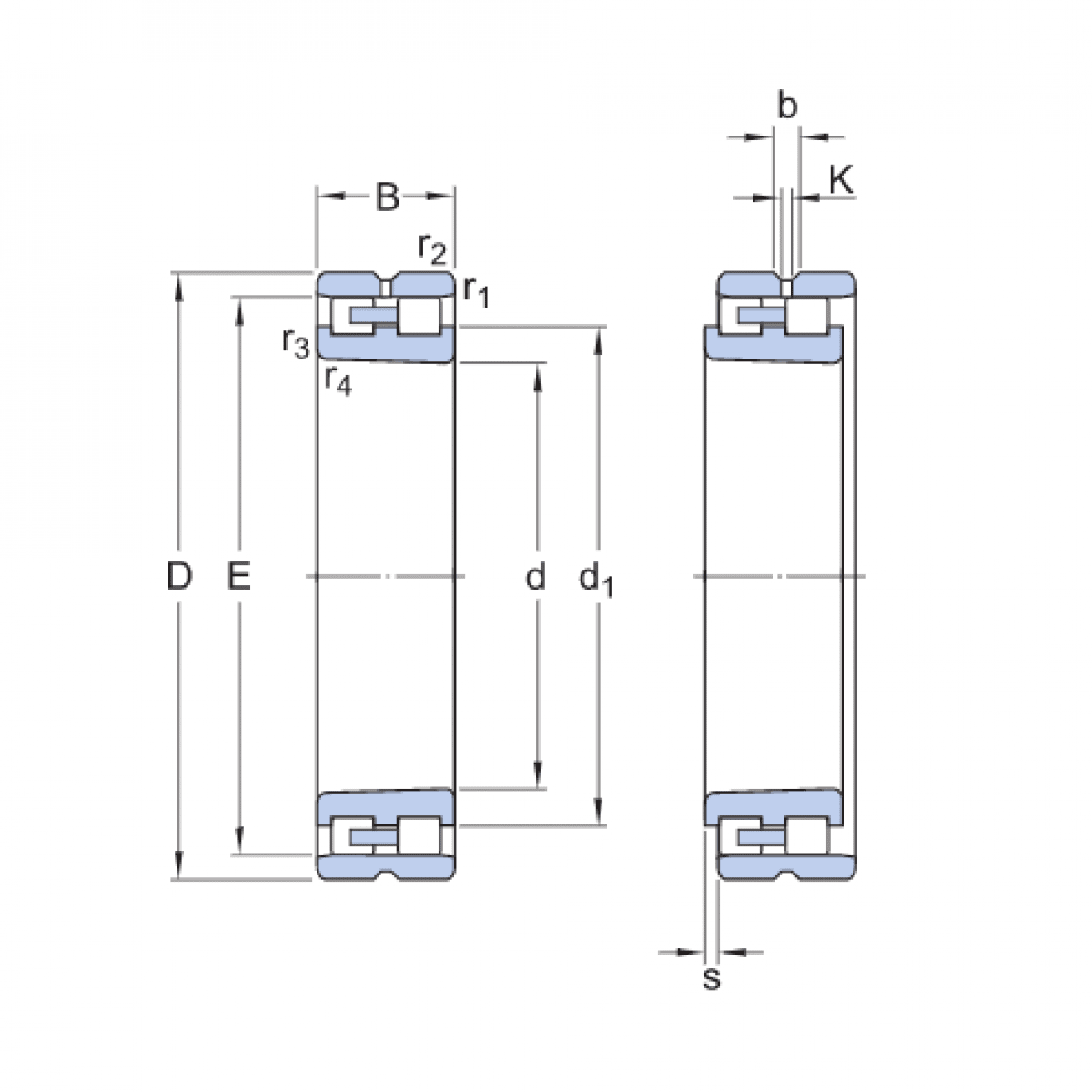
Ložisko NN 3021KP51 - ZKL

Rozmer: 105x160x41 Značka: ZKL
Skladom 1 ks na dopyt
+
-
ks