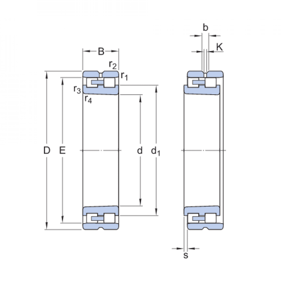
Ložisko NN 3021KP52 - ZKL

Rozmer: 105x160x41 Značka: ZKL
Externý sklad na dopyt
+
-
ks