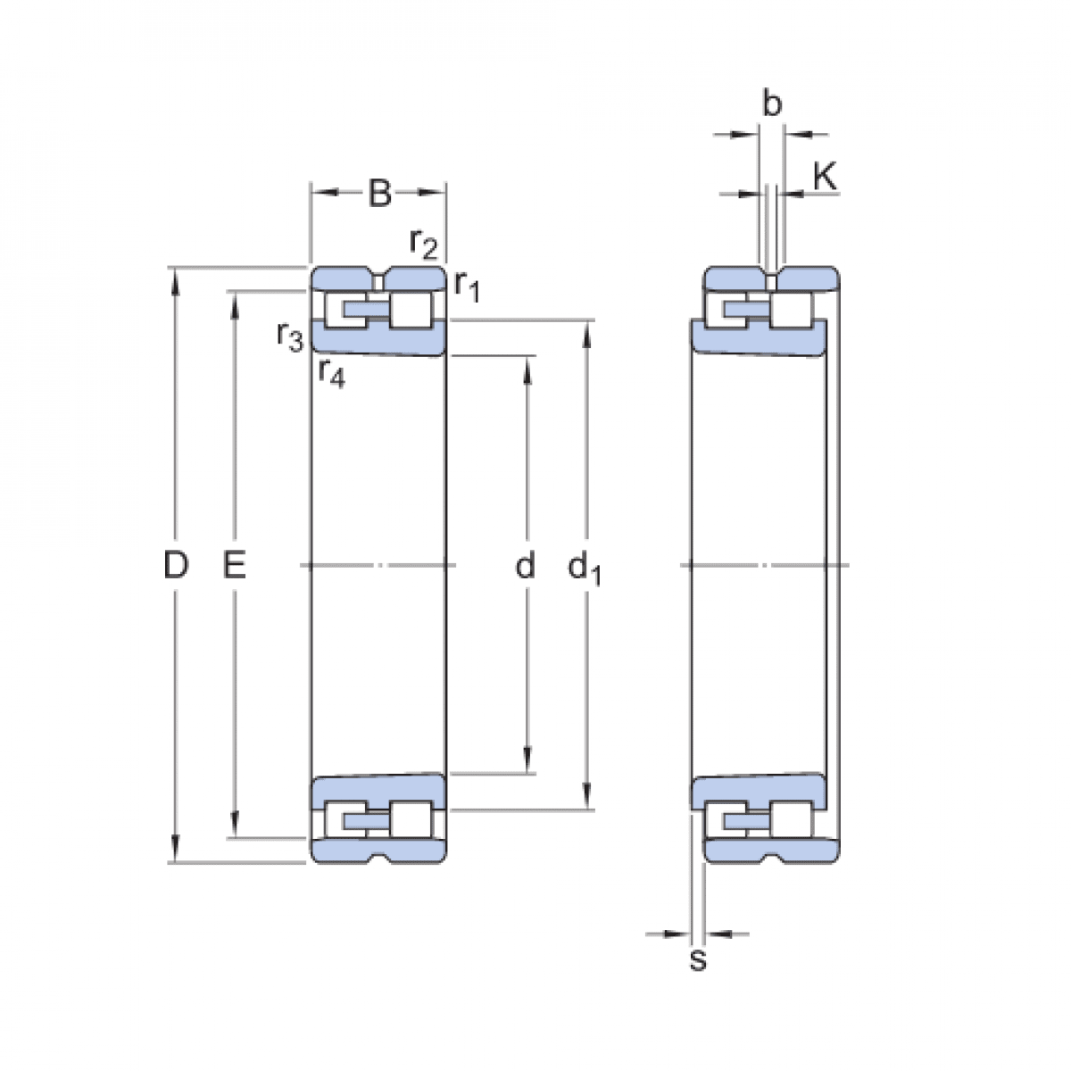
Ložisko NN 3024 KP51 - ZKL

Rozmer: 120x180x46 Značka: ZKL
Skladom 1 ks na dopyt
+
-
ks