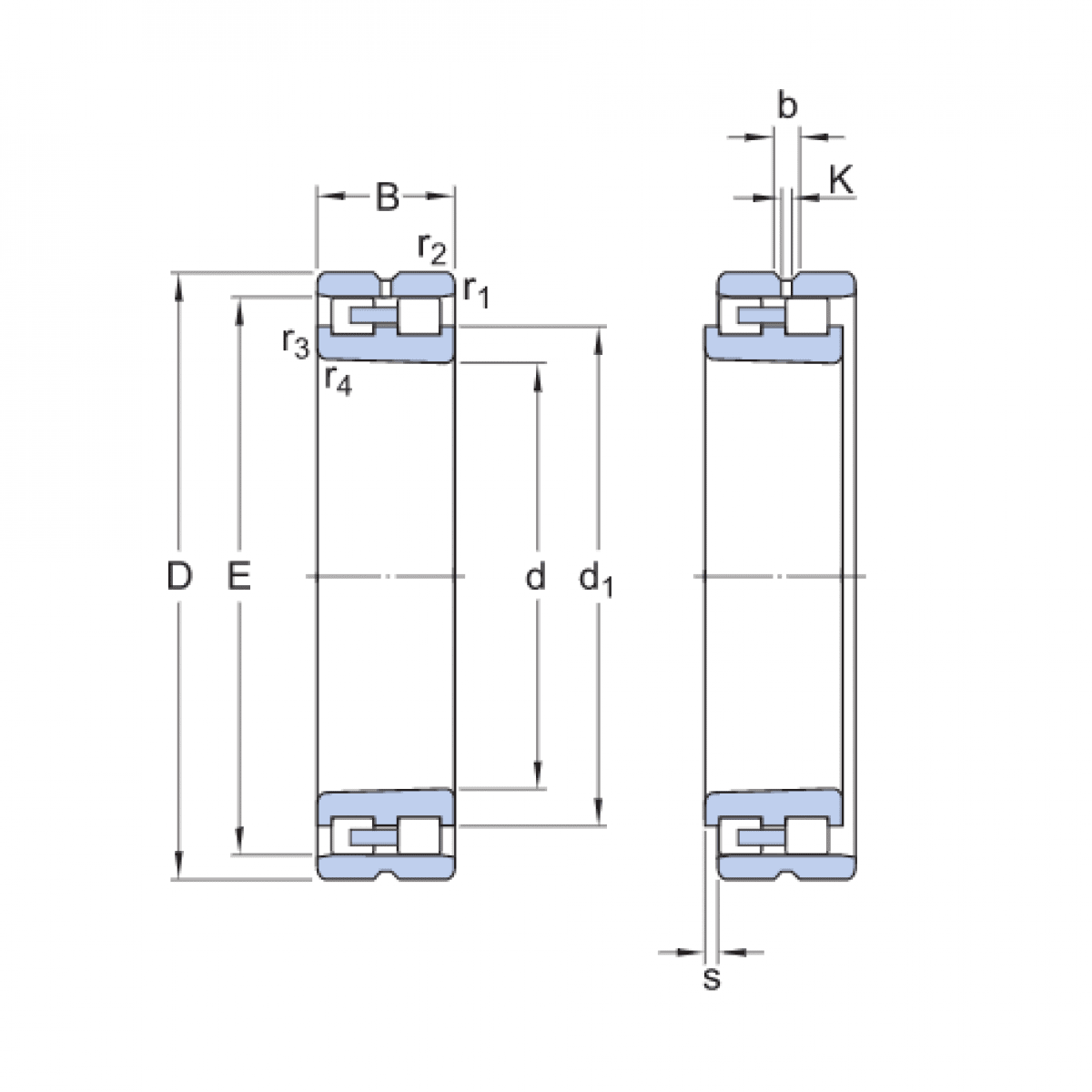
Ložisko NN 3026 KM - ZKL

Rozmer: 130x200x52 Značka: ZKL
Externý sklad na dopyt
+
-
ks