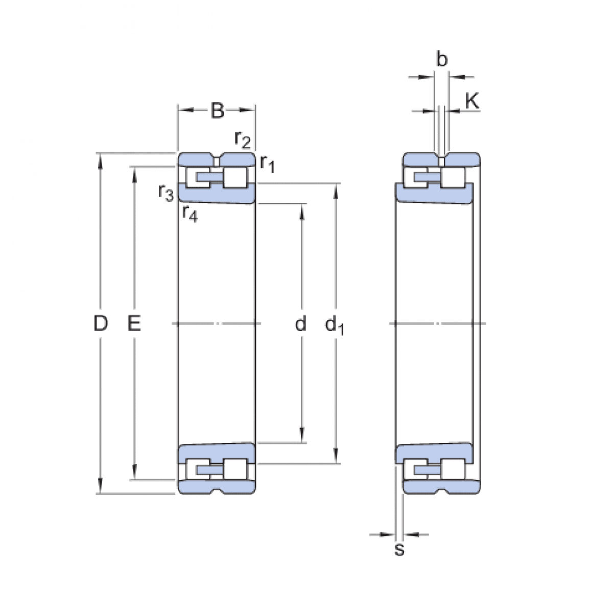
Ložisko NN3018 KTN9/SPW33 - SKF

Rozmer: 90x140x37 Značka: SKF
Externý sklad na dopyt
+
-
ks