Ložisko NP 259742/ NP 378917 - TIMKEN

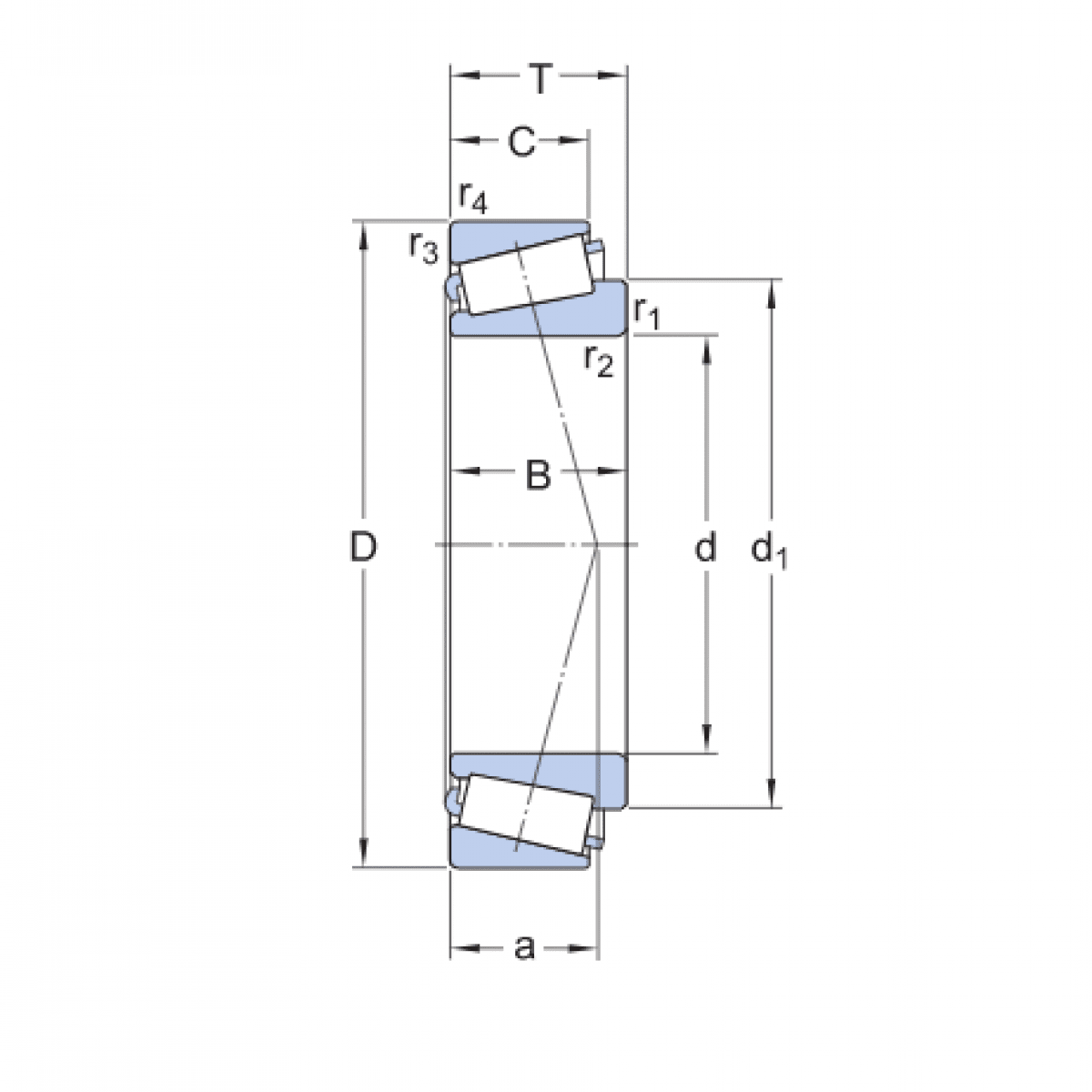
Rozmer: 25x51,4x13,9 Značka: TIMKEN
Externý sklad na dopyt
+
-
ks