Ložisko NP 417384/Y30206CM- TIMKEN

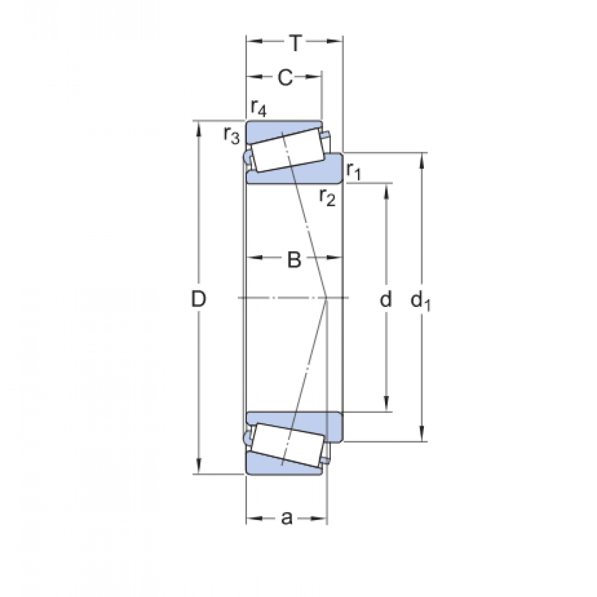
Rozmer: 24,98x62x17/14 Značka: TIMKEN
Externý sklad na dopyt
+
-
ks