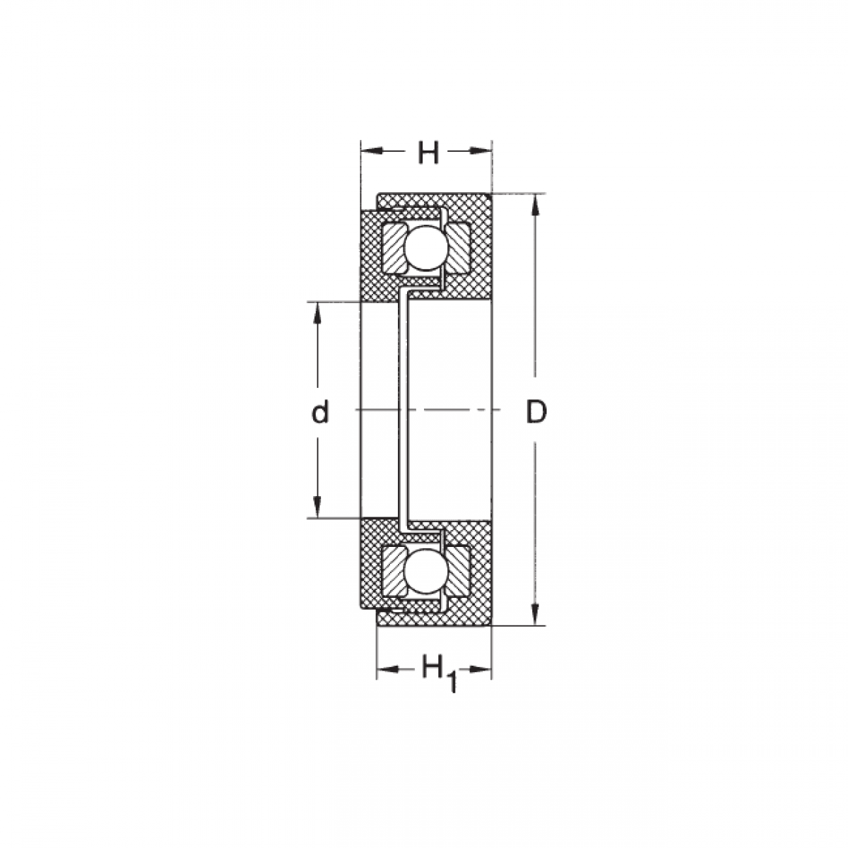
Ložisko PLC 23-7 /ZVL

Rozmer: 17x35x12,3
Skladom 6 ks na dopyt
+
-
ks