Ložisko R45Z-6 UQ U42 - NSK

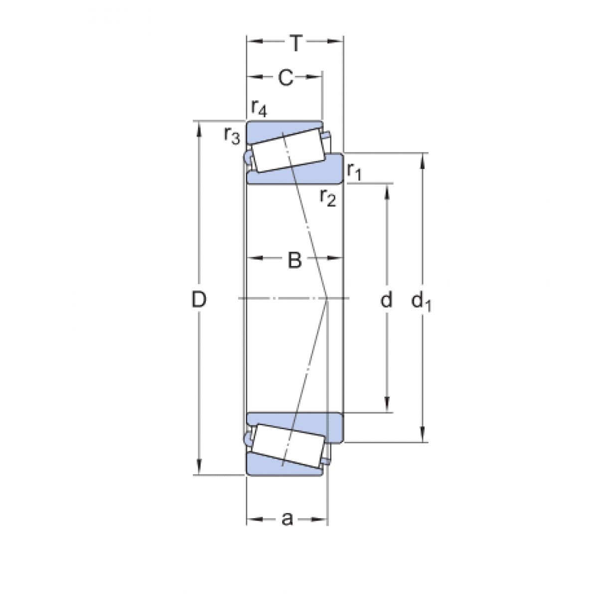
Rozmer: 45,2x80x20,6/15 Značka: NSK
Externý sklad na dopyt
+
-
ks